這個行業介紹
公布時段(duan):2024-02-26 17:17:51 搜索:1230
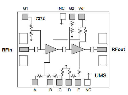
UMS的CHA2066-99F是款二級寬帶網單支低低頻噪音變大器。
CHA2066-99F采用了(le)要求HEMT工藝流程技術性(xing):0.25um柵(zha)極外形(xing)尺寸、橫穿的基板的螺孔、空(kong)氣質量橋和電子(zi)枝(zhi)術束柵(zha)神行者(zhe)刻(ke)枝(zhi)術。
CHA2066-99F以集成塊的模式保證。

主要的共同點
帶寬能(neng)力10-16GHZ
2.0db相位(wei)環境(jing)噪聲,10-16GHZ
16db增益控(kong)(kong)制值,+0.5db增益控(kong)(kong)制值光滑整潔度
低直流(liu)電功能鍵耗(hao)用,50MA
20dbm三階(jie)截距點
封裝(zhuang)尺寸:1.52 x 1.08 x 0.1mm
珠海市立維創展(zhan)科(ke)技(ji)信息是有限的技術代理權經銷處UMS微波射頻,對應(ying)部份主要參數的UMS車輛(liang)具備高(gao)質量(liang)的現貨(huo)黃金車輛(liang)庫存商品(pin),熱情接待諮詢(xun)。