服務行業信息資訊
頒(ban)布時段:2024-01-12 16:59:19 訪問:1198
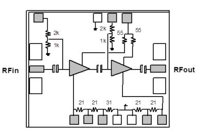
CHA2063A99F是款二級帶寬單面低嘈音調小器。
CHA2063A99F以(yi)電(dian)源(yuan)適(shi)配器芯(xin)片分類產生(sheng)。電(dian)源(yuan)適(shi)配器控制電(dian)路選則PHEMT產生(sheng)技(ji)木,0.25um柵極寸(cun)尺,橫(heng)穿柔性(xing)板的通孔,的空氣(qi)橋和電(dian)子元(yuan)器件(jian)束(shu)門(men)光刻新(xin)技(ji)術。
CHA2063A99F有(you)處(chu)理(li)芯片的(de)方(fang)式。

主要的特證
網(wang)絡帶寬特性(xing)7-13GHZ
2.0db燥音(yin)彈性(xing)系數,8-13GHZ
19db增加收益值
低直流變壓器能力衰(shuai)減(jian),40MA
18dbm三階(jie)截(jie)距點
封裝大小:1.52x1.27x0.1mm