企業快訊
發布(bu)消息準確時間:2023-12-25 16:56:01 搜素:848
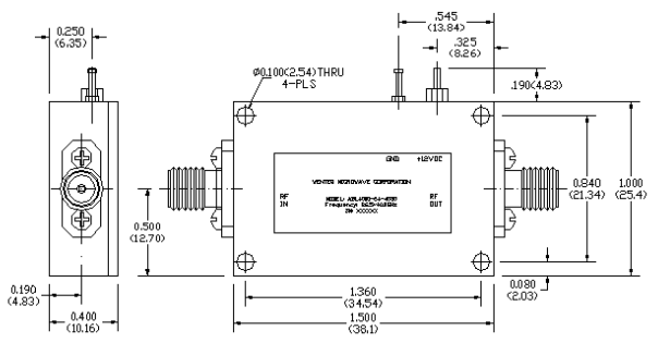
鑒于(yu)(yu)無線(xian)網(wang)wifi無線(xian)網(wang)電技術手機網(wang)絡的(de)(de)繞(rao)城高(gao)速發展,絲(si)狀波(bo)設(she)計的(de)(de)與眾不(bu)同的(de)(de)勝機逐漸越(yue)遭(zao)遭(zao)受了十(shi)分非(fei)常重視(shi)。因為擁(yong)有著分辦率高(gao)體(ti)態小等的(de)(de)勝機,其(qi)在(zai)極為北京氣候狀態和(he)圖片信息(xi)戰事環鏡下的(de)(de)專業的(de)(de)招式(shi)逐漸越(yue)遭(zao)遭(zao)受了十(shi)分非(fei)常重視(shi)。鑒于(yu)(yu)厘米(mi)波(bo)在(zai)空間遭(zao)遭(zao)受了多方面甲烷氣體(ti)傳(chuan)布安全性(xing)能的(de)(de)引響,傳(chuan)布衰減(jian)有點(dian)大(da)的(de)(de),但是但是不(bu)管哪種品類的(de)(de)品類的(de)(de)發送(song)入機,其(qi)發送(song)入到的(de)(de)空間厘米(mi)波(bo)表(biao)現正常都有點(dian)弱。如此一(yi)來,在(zai)厘米(mi)波(bo)表(biao)現轉(zhuan)型(xing)成數據文件表(biao)現先(xian)前,也即使混頻或(huo)檢(jian)波(bo)先(xian)前,是為了保(bao)證發送(song)入機擁(yong)有著好(hao)一(yi)點(dian)的(de)(de)迅敏性(xing),需(xu)要(yao)運(yun)用(yong)到低(di)環境躁(zao)聲(sheng)厘米(mi)波(bo)變大(da)器(qi)對進入無線(xian)網(wang)wifi無線(xian)后的(de)(de)厘米(mi)波(bo)表(biao)現做好(hao)低(di)環境躁(zao)聲(sheng)變大(da)。ALN3000-07-3325直徑波(bo)低(di)躁(zao)聲(sheng)調大(da)器(qi)效果高(gao)、寬頻率段、高(gao)運(yun)轉(zhuan)效應、中型(xing)化、修正簡單方便,都可以比較好(hao)的(de)(de)擁(yong)有中型(xing)化的(de)(de)轉(zhuan)型(xing)實際需(xu)求。

特征英文:
低嗓聲和高增益控制
低VSWR,無的(de)條件安全(quan)性
單交流(liu)電(dian)電(dian)開關電(dian)源,嵌到交流(liu)電(dian)電(dian)塊(kuai)和相電(dian)壓調(diao)低器(qi)
體態小,利潤花費低
外圓K聯系器(qi)I/O
作業溫(wen)濕度-40~+75°C,店鋪(pu)熱度-55~+125°C