行業中資訊新聞
發布的精力(li):2023-11-24 17:19:34 打開網頁:925
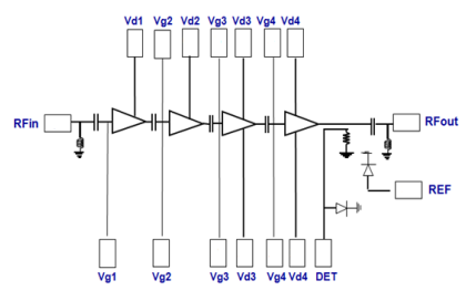
CHA6653-98F是款四六級單面Gaas高工作效率放小器,會發生1.8w的轉換馬力。CHA6653-98F是極度非線性的,有增益值管理效能,并集成型化最大功率探測器。涉及到ESD愛護。
CHA6653-98F專為中國電信(xin)廣(guang)泛(fan)應用各種需求裝修設計。
CHA6653-98F適用PHEMT流程的技術,柵極長度為0.15um。

大部分特性
帶寬效果:27-34GHZ
32dbm飽合電功率(lv)
38dbmOIP3
23db增益控制(zhi)值
直流(liu)電(dian)壓(ya)電(dian)流(liu)電(dian)偏置電(dian)壓(ya)電(dian)流(liu):Vd=6伏ldq=0.9A
打(da)包(bao)封裝厚度3.61x3.46x0.07mm