互聯網行業信息資訊
發(fa)布(bu)消息時刻:2023-11-15 17:03:45 搜索(suo):903
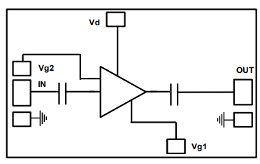
UMS的CHA3024-99F是個可變增益值抑制系統化(AGC)對于的地理分布式架構低的噪音放縮器,工作頻率區域在2到22GHZ范圍內。
CHA3024-99F常見應(ying)用在非常廣泛的應(ying)用中(zhong),比如說電商戰(zhan)、XandKu點(dian)對點(dian)通訊無線路由通訊和判斷生產(chan)設備。
CHA3024-99F挑(tiao)選0.PHEMT技能,柵極凈寬為15um,柔性板上面有通孔、環境橋(qiao)和(he)光(guang)柵光(guang)刻新技術。
CHA3024-99F以(yi)電(dian)子器(qi)件(jian)結構類型帶(dai)來,搜(sou)索和(he)效(xiao)果RF信號通(tong)路可更快識別到50ω。

主要的功能
聯通寬帶性能指標:2-22GHz
基本(ben)特征(zheng)規則化增益(yi)控制值:15db
Vg2能自由調節式收獲(huo)值高至30db
P1B:18dBm
Psat:20dbm
OIP3:30dbm
典例(li)相(xiang)位嘈音:3db
電流電偏(pian)置相電壓(ya):Vd=5Vd=100MA。Va1=-03VandVa2=1.7V
封裝(zhuang)形式長(chang)度:3.04x1.73x0.1mm