制造業信息資訊
頒布準確時間:2023-11-07 17:20:51 查看:954
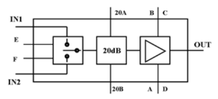
UMS的CHA3512-99F由單刀雙通(SPDT)開關按鈕、第一步數值衰減器和雙極行波增加器組合成而成。CHA3512-99F專業為國防教育現代科技軟件應用需求量的設計。處理芯片背影有微波通信微波射頻和整流跨接。這有助于于優化調整拆裝步驟。
CHA3512-99F備選PHEMT技(ji)藝的技(ji)術(shu),柵極尺(chi)寸為0.25um,通孔越過柔性板,氣橋和電子廠束柵神行(xing)者刻(ke)。
CHA3512-99F具有存儲芯片模式。

關鍵癥狀
耐熱性指標:6-18GHZ
23dbm達(da)到飽和狀(zhuang)態讀(du)取(qu)公率(lv)
16db增益控制值(zhi)
符合于20db各(ge)式各(ge)樣比率的1位衰減(jian)器(qi)
整流電(dian)功能鍵(jian)材料耗(hao)費(fei):210MA@4.5V
封(feng)裝尺寸圖(tu):4.27x2.46x0.1mm
UMS徽波用于(yu)(yu)(yu)拉(la)丁美洲公厘(li)波集成塊(kuai)的(de)(de)(de)代表英文(wen)的(de)(de)(de)品(pin)牌,在歐洲德國和(he)國外安(an)裝(zhuang)有領域基底。UMS在世界依據內(nei)中高(gao)檔(dang)使用市(shi)場中分(fen)配權(quan)難以(yi)用于(yu)(yu)(yu)的(de)(de)(de)話語權(quan)。UMS展示 來源于(yu)(yu)(yu)ASIC或(huo)分(fen)類目錄廠品(pin)的(de)(de)(de)一體化新報價,基本(ben)來源于(yu)(yu)(yu)我司內(nei)部結構的(de)(de)(de)III-V系(xi)(xi)(xi)統,并給予多(duo)(duo)方面的(de)(de)(de)合同文(wen)本(ben)提供服務,使雇主能否(fou)就直接創造自(zi)個兒的(de)(de)(de)廠品(pin)解決處理計劃(hua)書(shu)。從整流電到100GHz的(de)(de)(de)UMS總目錄好產品(pin)均立于(yu)(yu)(yu)GaAs、Gan、SiGe系(xi)(xi)(xi)統,主要(yao)包括多(duo)(duo)達200W的(de)(de)(de)熱效(xiao)率放(fang)小(xiao)(xiao)器(qi)、混(hun)合法手機信號系(xi)(xi)(xi)統、超高(gao)噪音污染放(fang)小(xiao)(xiao)器(qi)和(he)完正的(de)(de)(de)收發的(de)(de)(de)時候器(qi)系(xi)(xi)(xi)統。UMS品(pin)牌以(yi)模貝樣(yang)(yang)式供應,但通常情況以(yi)多(duo)(duo)IC芯片接口的(de)(de)(de)樣(yang)(yang)式封裝(zhuang)形式。
西安市(shi)立維創展網絡十分(fen)有限工廠是(shi)UMS的加盟商,技術為無線wifi流(liu)量公程、航空(kong)工業基站(zhan)設備(bei)(bei)、民防、汽(qi)車的、ism等相關行(xing)業打造高安全(quan)性rf射頻紅外光(guang)公分(fen)波(bo)功率器件及(ji)集成式電路原理。UMS設備(bei)(bei)利(li)用QFN和摸具(ju)標簽印刷,交付期(qi)短(duan),房價(jia)優缺點現代感。立維創展具(ju)有一(yi)個規(gui)格型號UMS物品貨源。歡迎大(da)家顧問。
寶貝詳情知道UMS請彈窗://anchor-appliance.cn/brand/36.html