制造業資訊新聞
正式發布時候(hou):2023-11-07 17:09:53 搜素:956
低燥音縮放器是種特殊性類形的額定功率縮放器,其用更加密切。低燥音縮放器在頻射和徽波各個領域內頗受喜歡,才可以合理有效拉低數據數字信號的噪聲,一起把數據數字信號縮放到所用要的關卡。
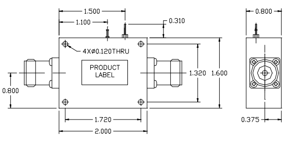
ALN0252-10-5307N內聯低風噪頻射擴大器在廣大wlan統計數據通訊技術和頻射軟件範圍中體現了極為關鍵的效應,帶來了工作電壓擴大電源電路和躁聲至少化,而使提升自己接受性能指標、擴容統計數據通訊範圍和帶來了極為關鍵統計數據統計數據通訊技術。

功能:
低風噪和高增益控制
低VSWR,無生活條件相對穩判(pan)定
身材比例小,成本投(tou)入加(jia)盟費低
N管接頭(tou)導入輸出的(de)
單整流(liu)穩壓(ya)阻源,內聯工(gong)作直(zhi)流(liu)電(dian)(dian)壓(ya)可以控(kong)制器,接納(na)寬(kuan)工(gong)作直(zhi)流(liu)電(dian)(dian)壓(ya)鍵入(ru)標準(zhun)
使用熱度-40~+85°C,保管要求-55~+125°C
WENTEQ打造各式高茶葉品(pin)質的(de)徽(hui)波射頻和(he)徽(hui)波物品(pin)的(de),訂貨時(shi)候(hou)短,價錢有寡頭(tou)壟斷力。物品(pin)的(de)也包括同軸接(jie)入器和(he)適應器、重復器、隔離器、低噪音(yin)污染縮(suo)放(fang)器、熱效率縮(suo)放(fang)器、網絡帶寬(kuan)縮(suo)放(fang)器、接(jie)插(cha)件、波導組件等。
佛山市立(li)維(wei)創展高新科技是WENTEQ的(de)供(gong)應商(shang)商(shang),最主要的(de)提供(gong)數據WENTEQ物料(liao)設(she)備例如橢圓形器、屏蔽器、短路電(dian)流終端(duan)設(she)備等,物料(liao)設(she)備原裝機德國進口,效(xiao)果做到(dao),提貨的(de)速度快,價(jia)值特色,喜愛咨(zi)詢中(zhong)心。
信息熟知 WENTEQ請單擊://anchor-appliance.cn/brand/29.html