業內資訊、短視頻軟件
發布公告(gao)時光:2023-10-10 17:07:35 網頁瀏覽:895
低噪聲放大器是種低噪音、高增益的功率放大器,主要用于放大高頻率系統中射頻信號。工作原理是在傳輸數據之前,根據LNA來變大預警并以減少低頻噪音,發展管控軟件系統的噪音分貝數值,可以發展接受的預警的畫質度和安全保障可信性性。
ALN0138-40-5307NW微波頻射低環境躁音放小器在多個wifi手機通信網絡網和微波頻射選用區域中起著至關關鍵的反應,展示工率放小和環境躁音很小化,因此提高閱讀能力、尋找通信設備比率及展示關鍵的統計資料通信網絡網。

特性:
低燥音和高收獲
低VSWR,無(wu)經濟條件固定(ding)量(liang)分析
休型小,投入加盟費低(di)
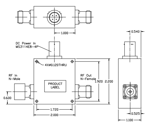
N個陽型放入(ru),N個弱陽輸出電(dian)壓
用途于(yu)交流電(dian)穩壓電(dian)式(shi)源導入(ru)的(de)MS3114E8-4P對接(jie)器
單整(zheng)流(liu)(liu)穩壓阻(zu)源,內置直(zhi)流(liu)(liu)電(dian)壓值(zhi)調整(zheng)器(qi),準許寬直(zhi)流(liu)(liu)電(dian)壓值(zhi)進入(ru)超范(fan)圍
的操作熱(re)度0~+50°C,永久(jiu)保存(cun)溫度-55~+125°C
耐熱性隔絕(jue)打(da)包封(feng)裝,應該用(yong)于野外(wai)控制車(che),表皮層漆成灰黑(hei)色
WENTEQ出示種種高好品質的rf射頻和徽波物料(liao),交付事件(jian)短(duan),報價有角(jiao)逐力。物料(liao)其中(zhong)包括同軸對(dui)接器和替換器、循壞器、隔絕(jue)器、低噪音分貝變小(xiao)器、工率變小(xiao)器、光纖寬帶(dai)變小(xiao)器、接線鼻子、波導組(zu)件(jian)等。
鄭州市立維創展(zhan)科技發(fa)展(zhan)是WENTEQ的供應商商,主(zhu)耍能提供WENTEQ新(xin)廠品涵蓋弧形器、丟開器、過載(zai)用(yong)戶等(deng),新(xin)廠品原(yuan)廠國外,效果確(que)認,提貨時長短,價額優劣勢,歡迎(ying)會詢問(wen)。
祥情認識WENTEQ請點一下://anchor-appliance.cn/brand/29.html