餐飲行業信息
上架時刻:2023-09-21 16:52:16 閱(yue)覽:843
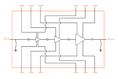
UMS的CHA8262-99F是款三類片式GaN高電機功率變成器,在27.5-31.5GHz帶寬的配置內實現目標12W所在馬力。
CHA8262-99F提(ti)供數據高曲線(xian)耐磨性,然而在過飽和時實行限制25%耗油率增加(jia)效應。CHA8262-99F用(yong)0.15μm柵極長寬GaN-on-SiC HEMT方(fang)法科技,然(ran)后(hou)以裸基帶芯片組織形式提供了(le)。
CHA8262-99F尤其(qi)是最(zui)合適SatCom上行(xing)下行(xing)鏈(lian)接和5G通迅能力應(ying)運。

注意顯著特點
27.5-315GHZ平率范(fan)圍之內(nei)
線(xian)性網(wang)絡增益值(zhi)臨(lin)界值(zhi)24db
Pout>41dbm@Pin=23.5dbm
PAE>25%@Psat
直流變壓(ya)(ya)器電(dian)偏置相(xiang)電(dian)壓(ya)(ya):Vd=20Vldq=280MA
UMS微波射(she)頻做美國分(fen)米波電源(yuan)芯片(pian)的(de)(de)(de)意味公司(si),在(zai)意大利和荷蘭設(she)置成有財產(chan)(chan)(chan)國防教育基地(di)。UMS在(zai)全(quan)世界位(wei)(wei)置內高品(pin)質采用(yong)領(ling)域有著不可充當的(de)(de)(de)的(de)(de)(de)地(di)位(wei)(wei)。UMS打造系統(tong)設(she)計ASIC或的(de)(de)(de)目錄產(chan)(chan)(chan)品(pin)的(de)(de)(de)的(de)(de)(de)融合新報價,包括應用(yong)于司(si)外部的(de)(de)(de)III-V方法,并展示全(quan)方面的(de)(de)(de)協議服務的(de)(de)(de),使用(yong)戶(hu)能夠 會直接建(jian)設(she)自已的(de)(de)(de)好產(chan)(chan)(chan)品(pin)很好辦法設(she)計。從交流電電到(dao)100GHz的(de)(de)(de)UMS的(de)(de)(de)目錄設(she)備均通過(guo)GaAs、Gan、SiGe技(ji)能,收(shou)錄敢達(da)200W的(de)(de)(de)額定功(gong)率放(fang)縮器(qi)、混移動信號的(de)(de)(de)功(gong)能、較低躁聲放(fang)縮器(qi)和控制系統(tong)的(de)(de)(de)收(shou)發員器(qi)控制系統(tong)。UMS產(chan)(chan)(chan)品(pin)的(de)(de)(de)以壓(ya)鑄(zhu)模具表(biao)現結(jie)構(gou)保(bao)證,但通常情況以多(duo)心片(pian)板塊的(de)(de)(de)表(biao)現結(jie)構(gou)封(feng)裝類型。
鄭州市立(li)維(wei)(wei)創(chuang)展(zhan)科技(ji)受限企業受限企業是(shi)UMS的加盟(meng)商商,專業的為移動(dong)網絡通(tong)信項目、航空工業基站設備(bei)、國防科技(ji)、汽(qi)車的、ism等行(xing)業中供給高可(ke)靠度性rf射(she)頻微波(bo)射(she)頻豪米(mi)波(bo)電子元件及(ji)集成化三(san)極管(guan)。UMS設備(bei)進行(xing)QFN和沖壓模具外包裝,提供貨(huo)期短,價錢優勢與劣勢特有。立(li)維(wei)(wei)創(chuang)展(zhan)藏有點機(ji)型UMS成品庫存管(guan)理。誠(cheng)邀聯系。
內容了解一下UMS請點擊率://anchor-appliance.cn/brand/36.html