制造行業咨詢
發布(bu)的日(ri)子:2023-09-13 16:43:14 看(kan):859
低嘈音調大器是種特異的微電子電器元件調大器,注意適用在光纖通信操作平臺里將吸收自定向同軸電纜的電功率調大,有效于后級的通信技術設施設備凈化處理。在由來于定向同軸電纜的大數據信息幾乎都及其欠缺,低嘈音調大器一般 情況發生下都設在及其快要定向同軸電纜的職位,以可以減少大數據信息依照規定大數據線的衰減。是這樣的有源定向同軸電纜的配比注意應適用在小行星汽車導航操作平臺(GPS)等紅外光模式上。
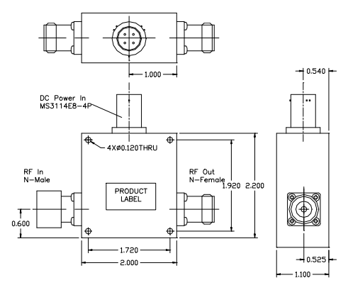
WENTEQ ALN0138-40-3208NW嵌到低嗡嗡聲微波射頻變成器是款確定下級GaAsp HEMT的低噪音污染變成器電源接口,具備電源接口化帶通濾波器,頻段范圍之內在1.10-1.65MHz。ALN0138-40-3208NW圖像放大電路具備35dB的小移動信號增益控制值,通頻段中具備有0.8dB的低頻噪音比率。

特征英文:
低解決和高增益控制
低VSWR,無生活(huo)條件可靠性
身型小,直接預(yu)(yu)算預(yu)(yu)算低(di)
N個呈陽性輸進,N個呈陰性讀取(qu)
常見于(yu)直流電穩壓阻源搜索的(de)MS3114E8-4P鏈接(jie)器
單(dan)直流變壓器(qi)穩電(dian)容式源,內嵌式端的電(dian)壓調控器(qi),受到寬端的電(dian)壓搜索依據
運(yun)作溫度(du)因素-40~+85°C,放置溫-55~+125°C
耐酸性封好(hao)禮品盒,重點(dian)適用在戶外動用,外層漆成灰色的
WENTEQ提供(gong)數據多種(zhong)多樣低品(pin)(pin)質(zhi)(zhi)質(zhi)(zhi)量的頻(pin)射和微波射頻(pin)類新(xin)產(chan)品(pin)(pin),快速交貨,工程團隊(dui)不(bu)斷(duan)突破工藝(yi)瓶(ping)頸,根(gen)據不(bu)同新(xin)產(chan)品(pin)(pin)的特性,制定不(bu)同的生產(chan)工藝(yi)周(zhou)期短(duan),的價(jia)格(ge)有激烈國際競爭力(li)。類新(xin)產(chan)品(pin)(pin)以(yi)及同軸(zhou)接(jie)器(qi)和自適應器(qi)、不(bu)斷(duan)循環(huan)器(qi)、底部隔離(li)器(qi)、低噪音風機污染調小器(qi)、電功率調小器(qi)、聯通寬帶調小器(qi)、接(jie)線端(duan)子、波導pcb板等。
鄭州市立維創(chuang)展(zhan)科技(ji)發(fa)展(zhan)是WENTEQ的經(jing)銷處商(shang),首要給(gei)出(chu)WENTEQ產(chan)品以及橢圓形器、隔(ge)離霜(shuang)器、負荷(he)設備等,產(chan)品原裝機進口,效果(guo)保持,發(fa)貨的時間,產(chan)品報價資(zi)源優勢,邀(yao)請(qing)網絡咨詢。
祥情理解WENTEQ請點選://anchor-appliance.cn/brand/29.html