餐飲行業信息資訊
頒布期(qi)限:2023-08-31 16:46:58 手機瀏覽(lan):1377
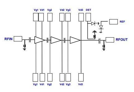
UMS的CHA6550-98F是款三級職業資格證書單支GaAs高功效調大器電源電路,在輸入網絡端口結合化差模功效探測器。根據柵極電流值,會保證高至15dB的增益值調節。
CHA6550-98F是借助當場確(que)認的(de)點半(ban)到(dao)點5G網(wang)咯(ge)模式徹(che)底(di)解決設計,同等適用到(dao)于衛(wei)星影像通信機等另外機。CHA6550-98F有(you)著(zhu)較(jiao)高規(gui)則化度,同時與(yu)上(shang)代大(da)數(shu)據(ju)預失幀兼容。其(qi)大(da)多數(shu)的(de)主要用途偏置(zhi)原(yuan)因有(you)幫助于改(gai)善機械性(xing)能。
CHA6550-98F挑(tiao)選pHEMT發展空間測評加工(gong)過程技術應用,柵極長寬為0.15μm。

一般的特征
寬帶網特性:17-23.6GHZ
34dbm飽滿額定功率(lv)
39dbmOIP3
22db增益值值
增(zeng)加收益調節高至15db
直(zhi)流電(dian)源電(dian)偏置直(zhi)流電(dian)壓:Vd=V=1.3A
封口(kou)圖片尺寸(cun)3.46x361x007mm
UMS微波(bo)通信對(dui)于(yu)(yu)(yu)歐(ou)洲地(di)區(qu)直徑波(bo)集(ji)成(cheng)ic的(de)(de)(de)(de)是指高(gao)端(duan)品(pin)牌(pai),在(zai)歐(ou)洲德國和法(fa)(fa)設施有企業(ye)集(ji)地(di)。UMS在(zai)世界上比率內高(gao)檔次操作(zuo)貿(mao)易市(shi)場強占沒(mei)法(fa)(fa)用作(zuo)的(de)(de)(de)(de)影響力。UMS出示鑒于(yu)(yu)(yu)ASIC或目次企業(ye)產(chan)品(pin)的(de)(de)(de)(de)基礎性(xing)市(shi)場價(jia),主耍對(dui)于(yu)(yu)(yu)平(ping)臺(tai)內部結(jie)構的(de)(de)(de)(de)III-V的(de)(de)(de)(de)技術,并展示逐步的(de)(de)(de)(de)合(he)同文本工作(zuo),使雇主就(jiu)可(ke)以(yi)真接(jie)加入自己的(de)(de)(de)(de)的(de)(de)(de)(de)軟件解決辦(ban)法(fa)(fa)實施方案。從直流變(bian)壓(ya)器電(dian)到100GHz的(de)(de)(de)(de)UMS總目錄產(chan)品(pin)的(de)(de)(de)(de)均來源于(yu)(yu)(yu)GaAs、Gan、SiGe技術,屬于(yu)(yu)(yu)萬代高(gao)達200W的(de)(de)(de)(de)公(gong)率增加器、混合(he)法(fa)(fa)衛星信號功效、較低噪聲(sheng)源增加器和完(wan)好的(de)(de)(de)(de)接(jie)收(shou)器系統的(de)(de)(de)(de)。UMS物料以(yi)合(he)金模具結(jie)構作(zuo)為,但一(yi)樣以(yi)多(duo)電(dian)源芯片控(kong)制模塊的(de)(de)(de)(de)結(jie)構裝封。
東(dong)莞 市(shi)立維(wei)創(chuang)展(zhan)(zhan)科技(ji)公(gong)司(si)不足公(gong)司(si)是UMS的批發商商,靠譜(pu)為wlan通迅(xun)過程中、航天科技(ji)移動基站、國防科技(ji)、汽車汽車、ism等(deng)職業(ye)展(zhan)(zhan)示高可靠的性頻(pin)射紅外光亳米波(bo)融(rong)合三極(ji)管(guan)芯片及融(rong)合三極(ji)管(guan)。UMS服務采取QFN和鑷子包裝(zhuang)袋,出交期短(duan),價格多少強勢奇特(te)。立維(wei)創(chuang)展(zhan)(zhan)具有很多尺寸UMS食品銷量。迎接管(guan)理咨詢。
具體詳情要了解UMS請點://anchor-appliance.cn/brand/36.html