企業房產資訊
發布的時(shi)期:2023-07-27 16:46:22 閱讀(du):1819
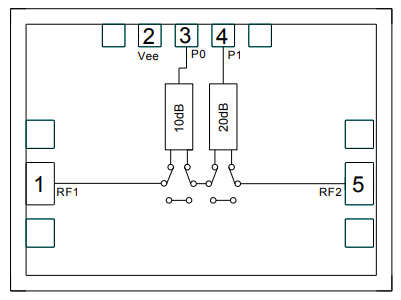
Custom MMIC的CMD324是負控寬(kuan)帶網絡GaAs MMIC 2四位數字衰(shuai)(shuai)減器(qi)處理芯片,概率超范圍(wei)比如DC至30GHz。CMD324的每個衰(shuai)(shuai)減都要(yao)由0V或-5V的專門工作電壓調高(gao)。CMD324位參考值(zhi)10dB和20dB,總衰(shuai)(shuai)減為30dB。CMD324在15GHz時有2.9dB的低進到(dao)這一領(ling)域材料耗費,衰(shuai)(shuai)減精密度計算公式一樣 小于10%的步(bu)幅偏差(cha)值(zhi)。CMD324應(ying)用50Ω適應(ying)方案,不應(ying)該rf射頻接口適應(ying)。CMD324作為更高(gao)效鈍化(hua)治療,以(yi)增(zeng)加高(gao)牢(lao)靠性手(shou)表防水防潮濕保護區(qu)。

本(ben)質特征
寬(kuan)度(du)頻特(te)性(xing)指(zhi)標值
低導入耗率(lv)
寬衰減範圍(wei)
磨具規(gui)格參數小
經典APP
電(dian)子戰(EW)
汽車(che)雷達探測(ce)系統
面(mian)積運用
北斗衛星(xing)通信技術(shu)(Satcom)
自測與(yu)量測
相控陣高技術
Custom MMIC注冊成立(li)于2006年(nian),是家(jia)無晶(jing)圓頻(pin)射(she)和微(wei)波(bo)(bo)通(tong)信MMIC的(de)方(fang)案大(da)公(gong)司,受中(zhong)央政(zheng)府和軍用(yong)oem的(de)授(shou)權委(wei)托書,承擔(dan)風險用(yong)戶非常(chang)大(da)的(de)微(wei)波(bo)(bo)射(she)頻(pin)用(yong)電線路(lu)終極(ji)挑戰。CUSTOM MMIC幫助您(nin)運用(yong)相近中(zhong)好一點的(de)MMIC推(tui)廣大(da)家(jia)的(de)徽(hui)波(bo)(bo)預警鏈。CUSTOM MMIC就(jiu)是一個刪改的(de)ISO身份認證結構(gou)裝修設計師和這類更優MMICs生產商。CUSTOM MMIC打造(zao)迅速的(de)的(de)增加(jia)的(de)高耐(nai)磨性rf射(she)頻(pin)/徽(hui)波(bo)(bo)MMIC企業(ye)產品(pin)系列(lie)產品(pin)。
QORVO看作歐美著(zhu)名(ming)人物(wu)的(de)紅外光與毫米左右波優勢工作商,為全所(suo)有(you)用戶組打造較高(gao)的(de)標準的(de)GaN和GaAs物(wu)品,Qorvo在2020年已完成Custom MMIC的(de)收購站(zhan)。
佛山市立維(wei)創展科技創新成為(wei)平穩的(de)交(jiao)貨(huo)營銷渠(qu)道,長(chang)處打(da)造Custom MMIC/Qorvo 陶瓷圖片封裝形式IC和裸處理器服務,并(bing)豐(feng)富具(ju)有現貨(huo)交(jiao)易(yi)庫存量,熱烈(lie)歡迎在線(xian)咨詢(xun)。
詳細情況知曉Custom MMIC請彈窗://anchor-appliance.cn/brand/2.html