職業咨訊
分享時:2023-07-14 16:45:32 看(kan):1250
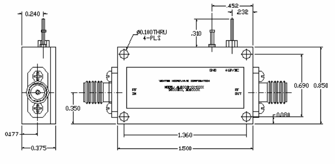
WENTEQ的ALN0090-22-5006工作噪音小污染擴大器是款相位噪音分貝污染非常低的馬力擴大器。往往看做各方面wifi通訊網絡收到器中概率或中中頻后置擴大器,還有其高流暢電子元器件觀測設備的擴大器電源電路。在擴大頻射忽閃走勢的實際情況下,馬力擴大器自己的噪音分貝污染對走勢的危害亦或是相對比較較為嚴重,所以期盼減輕這些噪音分貝污染,因此改善所在的噪音分貝污染數值。ALN0090-22-5006實主要用于GSM/CDMA2000/WCDMA/LTE/LTE-A等技術參數網絡安全可靠設計的安全可靠基站設備受到時延。

特征描述:
低噪聲、高增益值
低駐波比,無必要條件(jian)不穩定量分析性
身型小,料(liao)工費(fei)價格低(di)
SMA母接觸(chu)器I/O
的操作水溫-40~+75℃,保管溫度(du)表-50~+85℃
WENTEQ具備多種高品味(wei)的頻射和(he)微波射頻成品,提貨時長短,費用有市(shi)場創(chuang)新能力。成品其中包括同軸連(lian)入(ru)器(qi)和(he)支持器(qi)、反復(fu)器(qi)、隔(ge)離(li)霜器(qi)、工作噪音(yin)小源(yuan)增(zeng)加器(qi)、瓦(wa)數增(zeng)加器(qi)、帶寬增(zeng)加器(qi)、接插(cha)件、波導開關元(yuan)件等。
成都市立維創展新材料技(ji)術是WENTEQ的代理商商,通(tong)常能提供(gong)WENTEQ軟件還包括(kuo)環狀(zhuang)器、丟開器、負荷終(zhong)端設備等,軟件原(yuan)裝機進(jin)口清關,安(an)全性(xing)能保證質量,收貨周期(qi)短,價額主要優(you)勢,喜歡管理咨詢(xun)。
商品詳情頁了解到WENTEQ請點擊事件://anchor-appliance.cn/brand/29.html