領域信息
發布公告(gao)事(shi)件:2023-06-28 16:46:01 打開網(wang)頁(ye):1721
超高噪音縮放器是款噪音公式太低的縮放器控制電路板板。利用于各項無限通信設備傳輸器低平率或中低頻前面板縮放器,及高靈敏度光學元器件封裝測探器材的轉換功率縮放控制電路板板。在縮放噪音網絡的信號各項公共場合,噪音縮放器控制電路板板原本的噪音對網絡的信號的的影響是較重要,故而想影響這些噪音,故而增長轉換的噪音公式。
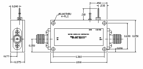
WENTEQ的(de)ALN0025-40-3006較(jiao)低噪(zao)音擴(kuo)大(da)器是(shi)較(jiao)強的(de)成本吸收率(lv)的(de)解決(jue)處理預案(an),具體軟件(jian)(jian)在可(ke)以(yi)不(bu)高噪(zao)音擴(kuo)大(da)的(de)新(xin)技術軟件(jian)(jian)。

本質(zhi)特(te)征:
低噪音、高增益控(kong)制
低駐波比(bi),無狀況固定義(yi)
體態小(xiao),成本投入相(xiang)應(ying)費(fei)用低(di)
SMA母(mu)接連器I/O
操(cao)作使用溫度-40~+75°C,處(chu)理體溫-50~+85°C
WENTEQ可以提供各(ge)方面高高質(zhi)量(liang)的徽波射頻和徽波物料,快速(su)交貨,工(gong)程(cheng)團隊不斷突破(po)工(gong)藝瓶頸,根據不同(tong)的產品的特(te)性,制定不同(tong)的生產工(gong)藝精力短,報價有相互創新能(neng)力。物料有同(tong)軸(zhou)對(dui)接器(qi)和兼(jian)容性測(ce)試(shi)器(qi)、重(zhong)復器(qi)、隔開(kai)器(qi)、低嘈音變(bian)成(cheng)器(qi)、輸出變(bian)成(cheng)器(qi)、寬帶網絡變(bian)成(cheng)器(qi)、接插件、波導部(bu)件等(deng)。
上(shang)海市(shi)立維創展(zhan)科技(ji)公司是(shi)WENTEQ的(de)代理商商,具體具備WENTEQ服(fu)務也(ye)包括環型器(qi)、隔離器(qi)、電動機扭矩末端(duan)等,服(fu)務原(yuan)版國外,水(shui)平保護,交貨期(qi)日(ri)子短(duan),價優勢(shi)可言,誠邀詳詢。
寶貝詳情了解一下WENTEQ請點擊事件://anchor-appliance.cn/brand/29.html