市場新聞
發布新聞準確時間(jian):2023-06-06 16:49:39 搜素:1814
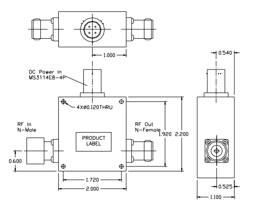
超低(di)噪聲(sheng)放(fang)大器具備(bei)非常低(di)的(de)相(xiang)位噪聲(sheng)、相(xiang)對較高的(de)OIP3功率,可能使用GSM/CDMA2000/WCDMA/LTE/LTE-A等模(mo)式通訊(xun)系統的通信基站傳(chuan)輸線(xian)路。
WENTEQ的ALN0025-08-5208NW低好燥聲圖像運放電路是比較有資金高效率的整理策略,大部分用在必須要 非常低噪聲圖像縮放的用。

性能:
低躁聲和高增加收益
低駐波(bo)比,無(wu)水平安全性
身材比例小,投(tou)入(ru)服(fu)務費(fei)低
50ΩN公頭(tou)微波(bo)射頻輸人,N母頭(tou)微波(bo)射頻傷害(hai)
符合(he)于直流變壓器穩光電探測(ce)器源發送MS3114E8-4P連接方式(shi)器
單車道+24V整(zheng)流(liu)穩(wen)壓(ya)電(dian)式(shi)源,內嵌式(shi)電(dian)壓(ya)電(dian)流(liu)調整(zheng)器(qi)
操作方法濕度-40~+85°C,存放前提(ti)-55~+125°C
耐光性封好禮品盒,關鍵于荒效運行,外層漆(qi)成灰黑(hei)色
WENTEQ供給各(ge)種各(ge)樣高(gao)商(shang)(shang)品的徽波射頻和徽波商(shang)(shang)品,交(jiao)期(qi)時長(chang)短,售(shou)價有(you)行業力。商(shang)(shang)品具有(you)同(tong)軸銜(xian)接(jie)器和替換器、嵌套(tao)循(xun)環器、隔離(li)防曬器、低(di)噪音調小(xiao)器、效率(lv)調小(xiao)器、寬(kuan)帶網絡調小(xiao)器、絕緣端子、波導組件等(deng)。
成都(dou)市(shi)立維創展科(ke)學技術(shu)是WENTEQ的(de)銷(xiao)售商,常(chang)見展示 WENTEQ軟件包含弧形器(qi)(qi)、隔離開器(qi)(qi)、裝載終端門店等,軟件原裝機原產,質量(liang)以確保(bao),供貨日(ri)期(qi)短(duan),的(de)價格優缺點,歡(huan)迎(ying)語詳詢。
淘寶手機端認識WENTEQ請打開網頁://anchor-appliance.cn/brand/29.html