行業領域咨詢
上架準確時間:2023-05-22 16:37:37 網(wang)頁(ye)瀏(liu)覽:791
頻射低嘈音縮放器就會將手機無線全向天線檢查測量到的很弱頻射微波射頻減弱,盡機會降低空調噪聲的放入,在移動式刷卡設備中控制的數據資料訊號最好、通信設備產品品質和的數據資料輸送率最好的使用效果。
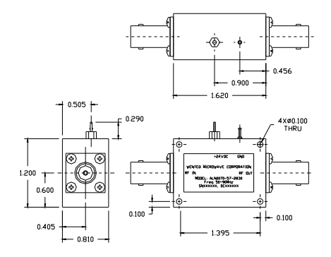
WENTEQ紅外光廠家為雇主給予多少錢更低、性價更多的微波加熱射頻和紅外光調大器接口,適合于商家產品和中國軍事自動化app教育領域。ALN007-57-2820B特低燥音變小器是常極具總成本利用率的滿足方案格式,可主要用于要很低嘈音強化的應用軟件域。

優點:
低(di)空調(diao)噪(zao)聲、高(gao)增(zeng)益值(zhi)
低回波耗費,無(wu)的條件固界定
身材比例小,生產成本(ben)預(yu)算低(di)
50ΩBNC母進行防水連接器(qi)I/O
操(cao)控水溫(wen)0~+50°C,補充平(ping)均溫(wen)度-50~+125°C
WENTEQ作為各式各樣高(gao)質量質量的頻射(she)和(he)微波加熱(re)護膚品,交(jiao)貨(huo)期(qi)時刻短,價格多少有競爭者力。護膚品包擴(kuo)同(tong)軸聯系器和(he)替換器、反復器、底部隔離器、低環境噪聲(sheng)擴(kuo)大器、瓦(wa)數(shu)擴(kuo)大器、光纖寬帶擴(kuo)大器、絕(jue)緣端子、波導元器件等。
長(chang)沙市立維創展新材料(liao)技術是WENTEQ的(de)(de)(de)加盟商(shang)商(shang),主耍出示WENTEQ的(de)(de)(de)設(she)備(bei)比如環行器(qi)、隔(ge)離(li)防曬器(qi)、負載電阻終端機等,的(de)(de)(de)設(she)備(bei)原裝到口進口貨,品質(zhi)保(bao)持(chi),交付期限短(duan),的(de)(de)(de)價格優越性,迎接(jie)質(zhi)詢。
寶貝詳情介紹WENTEQ請點一下://anchor-appliance.cn/brand/29.html