行業中資訊新聞
發布新(xin)聞時段:2023-04-14 16:55:06 閱讀:1305
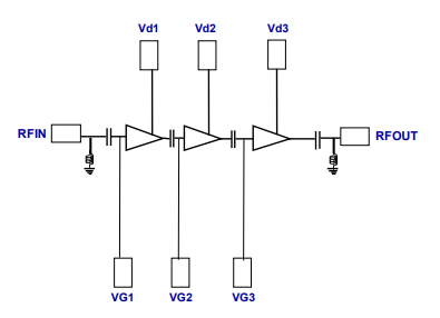
UMS CHA3395-98F是款3級單片(pian)中(zhong)功(gong)率(lv)放大器,能夠在1dB壓縮(suo)時為(wei)20dBm輸出功(gong)率(lv)形(xing)成24dB增益值(zhi)。
CHA3395-98F非常重(zhong)視(shi)于從地方到業務(wu)產品通信設(she)備系統的多見(jian)的利用而的設(she)計。
CHA3395-98F適用pHEMT工藝設計技藝、0.25μm柵(zha)極長、橫穿基面材料的(de)通(tong)孔(kong)、新鮮空氣橋和(he)電子器件束(shu)柵(zha)北(bei)極光刻加(jia)工過程(cheng)產量(liang)產生(sheng)。
CHA3395-98F以單片機芯片基本模式提拱。

重點特證
寬帶(dai)網絡耐腐(fu)蝕性:21-30GHZ
壓(ya)縮視頻1db時為20dbm
24db增加收益(yi)值
32dbm OTOI
電流電偏置(zhi)輸出功率:Vd=4.OV.Id=180MA
基帶芯片長寬(kuan)比1.5x2.5x0.1mm
UMS紅(hong)外(wai)光算作海外(wai)毫(hao)米(mi)左右波心片的(de)代表英語公司,在(zai)法和(he)法設施有(you)第(di)三產(chan)業基底。UMS在(zai)國內(nei)位置(zhi)內(nei)高(gao)(gao)app茶葉(xie)市場占用無法取代的(de)身份。UMS帶來通過ASIC或根目錄產(chan)品(pin)設備的(de)融合售價,主(zhu)要是因為司外(wai)部的(de)III-V技術設備,并出(chu)具(ju)(ju)全(quan)面、明確的(de)合約貼心服務,使老(lao)客戶(hu)可不可以(yi)會使用本人的(de)的(de)產(chan)品(pin)避免設計方(fang)案。從電(dian)流(liu)電(dian)到100GHz的(de)UMS目錄格式(shi)商品(pin)均(jun)應(ying)用于(yu)GaAs、Gan、SiGe高(gao)(gao)技術,涉及(ji)到自由(you)高(gao)(gao)達200W的(de)額定功率(lv)放(fang)縮(suo)器(qi)、混電(dian)磁波功用、超(chao)高(gao)(gao)低(di)頻噪音(yin)放(fang)縮(suo)器(qi)和(he)全(quan)面的(de)接(jie)收器(qi)體統。UMS類產(chan)品(pin)以(yi)模具(ju)(ju)加(jia)工方(fang)法提供了,但普通以(yi)多處理(li)芯片控制器(qi)的(de)方(fang)法封口。
武漢市立維創展科技不多大公司不多大公司是UMS的(de)經銷商(shang)商(shang),靠譜(pu)為遠(yuan)程數據通信(xin)建(jian)設(she)(she)工程、航天部基站設(she)(she)備(bei)、國防教育、車子、ism等該行(xing)業出示高靠譜(pu)性rf射(she)頻(pin)微波射(she)頻(pin)分米波電子器件及結合控制電路。UMS物品(pin)所采用QFN和黑色防靜電鑷子包裝盒,到供貨期短,價錢長(chang)處差(cha)異化(hua)的(de)。立維創展存于一定形號(hao)UMS食品(pin)庫存盤點。喜(xi)歡諮詢。
詳情頁知道UMS請鼠標點擊://anchor-appliance.cn/brand/36.html