企業新聞資訊
正式發布事件(jian):2023-03-24 16:38:30 瀏覽(lan)訪問:1152
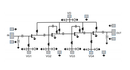
UMS CHA2368-98F是款四級單片低噪聲(sheng)放(fang)大器,在50-71GHz頻(pin)率段內具備21dB線性(xing)增益(yi)值(zhi)和3.5dB相(xiang)位噪聲(sheng)。CHA2368-98F包(bao)括對各個(ge)RF瀏覽(lan)和DC焊(han)層(ceng)的(de)ESD保(bao)護。
CHA2368-98F設計的概念(nian)用以從工商業(ye)到服務器通(tong)信體系的用途范圍。
CHA2368-98F所用pHEMT新(xin)工藝水平(ping)、0.1μm柵極寬度、橫穿基面材料的盲孔、水汽橋(qiao)和鐵離(li)子束柵流星刻(ke)方法制(zhi)作生產,非常適合于提供BCB層庇護的裸(luo)存儲芯(xin)片。

主要的的特點
操作(zuo)頻段(duan):50-71GHz
相位噪音分(fen)貝:3.5db
P1db:12dB
增益控制值(zhi):21db
增益管(guan)控管(guan)控:30db
BCBlaver愛護
比較普遍電(dian)流電(dian)偏(pian)置(zhi)電(dian)壓電(dian)流:Vd=3.3V@ld=75MA
集成ic厚(hou)度(du)2.57mmx1.17mmx0.07mm
UMS微(wei)波加熱身為歐州直(zhi)徑(jing)波IC芯片的(de)主要國產(chan)品(pin)(pin)(pin)(pin)牌,在(zai)芬蘭(lan)和英國設計有制造業基礎。UMS在(zai)高(gao)度使用(yong)范圍內品(pin)(pin)(pin)(pin)質適用(yong)市揚(yang)占用(yong)不可代替的(de)地方(fang)。UMS供給基本概(gai)念ASIC或文件名產(chan)品(pin)(pin)(pin)(pin)的(de)整合價格表,主要是對于新公司的(de)內部的(de)III-V工藝,并展示 周全(quan)的(de)合同協議食(shi)品(pin)(pin)(pin)(pin),使大家能(neng)(neng)夠 進行(xing)建(jian)立自個的(de)食(shi)品(pin)(pin)(pin)(pin)解(jie)決方(fang)法策劃方(fang)案。從電(dian)(dian)流電(dian)(dian)到(dao)100GHz的(de)UMS文件目錄車輛均(jun)研究背景GaAs、Gan、SiGe技術水平,還包括(kuo)達到(dao)了(le)200W的(de)公率變小器(qi)、混(hun)合式的(de)信(xin)號(hao)功能(neng)(neng)模(mo)(mo)塊、較低(di)燥(zao)音(yin)變小器(qi)和完(wan)正的(de)收(shou)發員(yuan)器(qi)機系(xi)統。UMS食(shi)品(pin)(pin)(pin)(pin)以壓(ya)鑄模(mo)(mo)具行(xing)式提高(gao),但應該以多集成(cheng)電(dian)(dian)路芯片摸塊的(de)行(xing)式打包封裝。
杭州市立維創展科技不足(zu)我司(si)不足(zu)我司(si)是UMS的代商(shang),專業性為無限(xian)光纖通(tong)信(xin)建(jian)設工程(cheng)、航天(tian)部(bu)通(tong)信(xin)基站、飲(yin)水機(ji)、二手車、ism等(deng)行(xing)(xing)業中(zhong)供給(gei)高穩定經濟性rf射頻微(wei)波加熱分米波元件(jian)及(ji)結(jie)合(he)電路(lu)原理。UMS的產品進行(xing)(xing)QFN和鑷子進行(xing)(xing)包裝,打造(zao)貨期(qi)短,價額(e)競爭優勢有(you)趣。我們都為有(you)一(yi)些規格(ge)打造(zao)優質理的UMS好產品存貨。青睞咨詢服務。
商品詳情頁熟悉UMS請彈窗://anchor-appliance.cn/brand/36.html