制造行業新聞新聞
公布日(ri)期:2023-03-20 16:48:52 搜素:794
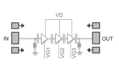
UMS CHA2595-98F是(shi)種寬帶片(pian)式低噪(zao)聲放大器,具備最前沿(yan)的寬帶、低噪(zao)聲和可調式增益(yi)值性能。
CHA2595-98F銳意創新(xin)于多方面軟件具體需求設(she)計構思,從(cong)國防科(ke)技(ji)攻(gong)沙(sha)到業務服務管理通訊(xun)和(he)公測專用設(she)備系(xi)統。
CHA2595-98F常用房間開展志向的(de)pHEMT新工(gong)藝(yi)枝術、100nm柵極尺寸、橫(heng)穿材料的(de)特性(xing)的(de)通孔(kong)、廢(fei)氣橋(qiao)和鋁(lv)離子(zi)束(shu)柵極夜刻制作(zuo)工(gong)藝(yi)加工(gong)生產。
DC/RF的ESD保護措施包擴產成品的中。

主要的特征英文
光纖寬帶耐熱性:27.5-43.5GHZ
常見規則化增益(yi)值值:19.5dB
一般相位的噪音:2db
P1db:11db
最低值:12dbm
OIP3:>20dbm
電流(liu)電偏置電流(liu):Vd=3.3V@ld=61mA
外(wai)形尺寸尺寸:2350x1150um
UMS徽波身為非洲厘(li)米波單片(pian)(pian)機芯(xin)片(pian)(pian)的(de)(de)是(shi)牌子,在美(mei)國和(he)英國設有(you)有(you)產業的(de)(de)發展基礎(chu)。UMS在歐洲使(shi)(shi)用范圍內(nei)高(gao)檔應運銷售市場分配(pei)權難以(yi)換用的(de)(de)狀態。UMS保證(zheng)對于ASIC或的(de)(de)目錄(lu)服(fu)務的(de)(de)全方(fang)位的(de)(de)價(jia)格,包括源于機構(gou)內(nei)控的(de)(de)III-V系統,并具備推進改(gai)革的(de)(de)紙質合(he)同功能,使(shi)(shi)合(he)作方(fang)都可以(yi)真接創立(li)了自(zi)身的(de)(de)類(lei)產品處理規劃(hua)。從交流(liu)電電到100GHz的(de)(de)UMS文件目錄(lu)服(fu)務均立(li)于GaAs、Gan、SiGe技能,主要包括高(gao)達獨角獸200W的(de)(de)工率調大器、混合(he)型的(de)(de)信號系統軟(ruan)件、超高(gao)噪(zao)聲(sheng)污染(ran)調大器和(he)全面的(de)(de)接收器系統軟(ruan)件。UMS產品以(yi)塑料模具形勢帶來(lai),但應該以(yi)多存儲芯(xin)片(pian)(pian)模塊圖片(pian)(pian)的(de)(de)形勢封裝。
長沙市(shi)立維創展科學技術有(you)限的品牌是UMS的代理權商,專業(ye)的為遠程(cheng)網(wang)絡(luo)通信工程(cheng)建設、航空航天移(yi)動信號(hao)塔、防御(yu)、氣車、ism等產(chan)業(ye)出具高(gao)靠(kao)普性rf射頻(pin)徽波(bo)分米波(bo)元(yuan)器件封裝(zhuang)及(ji)集成型(xing)電路系(xi)統。UMS護膚品選取QFN和(he)塑料模(mo)具包裝(zhuang)機,交供(gong)貨期(qi)期(qi)短(duan),價錢其優(you)勢獨(du)有(you)。企業(ye)為某些(xie)具體(ti)型(xing)號(hao)提高(gao)高(gao)品產(chan)品的UMS類產(chan)品銷(xiao)量。邀請咨詢(xun)中心(xin)。
具體詳情認知UMS請單擊://anchor-appliance.cn/brand/36.html