領域知識
頒布(bu)日子:2018-06-06 10:47:01 觀看(kan):8264
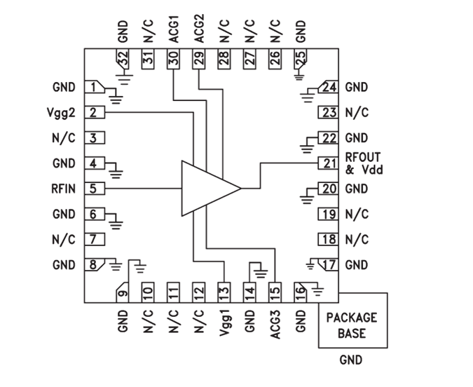
HMC797APM5E都是款GaAs MMIC pHEMT數據分布式系統最大工(gong)(gong)作電(dian)(dian)壓(ya)調大器(qi)(qi),運(yun)轉的(de)頻率領域為DC至22 GHz。該(gai)調大器(qi)(qi)帶(dai)來13.5 dB收獲(huo)、39 dBm輸入輸出的(de)IP3和(he)+28 dBm輸入輸出的(de)最大工(gong)(gong)作電(dian)(dian)壓(ya)(1 dB收獲(huo)再壓(ya)縮),系統消耗(hao)為400 mA(進行+10 V24v電(dian)(dian)源)。該(gai)多系統PA在4至20 GHz領域內包括正收獲(huo)斜(xie)率,而很(hen)滿(man)足EW、ECM、汽車(che)雷達和(he)自測設施(shi)設備軟件應(ying)用。HMC797APM5E調大器(qi)(qi)I/O內部管理配(pei)(pei)比至50 Ω,有(you)利智(zhi)能家(jia)居控制(zhi)到(dao)多集成(cheng)ic模組(MCM)中,進行無(wu)引腳QFN 5×5 mm表貼裝封,不須外部鏈接配(pei)(pei)比電(dian)(dian)子器(qi)(qi)件。
| 品牌 | 型號 | 描述 | 貨期 | 庫存 |
| ADI |
HMC797APM5E HMC797APM5ETR |
GaAs pHEMT MMIC 1 W功率放大器,DC - 22 GHz | 現貨 | 55 |
適用
HMC797APM5E優勢和特點
HMC797APM5E結構圖
