產業訊息
披露周期:2022-11-22 16:58:26 閱讀:858
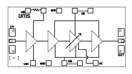
UMS的CHA2293-99F是款應有可轉化性收獲值的高收獲4個等級片式工作噪音小源變成器。
CHA2293-99F專為從飲水機美國軍事到工業(ye)產品(pin)、網絡數據通訊網絡(luo)的大都用途而方案。CHA2293-99F的背脊是RF和DC跨接。這(zhe)有助于于優化調整(zheng)進(jin)行安裝具體步驟。
CHA2293-99F選擇使(shi)用pHEMT施工(gong)(gong)(gong)加(jia)工(gong)(gong)(gong)工(gong)(gong)(gong)藝(yi)(yi)工(gong)(gong)(gong)藝(yi)(yi)、0.25μm柵極(ji)段長(chang)度、橫穿材(cai)料的通孔、環境橋和網(wang)絡束柵幻影刻工(gong)(gong)(gong)藝(yi)(yi)設計工(gong)(gong)(gong)作生(sheng)產(chan)加(jia)工(gong)(gong)(gong)制造。以(yi)處理芯(xin)片(pian)方法展示。

重要特征英文
運行頻段(duan):24-30GHz
3db躁音指(zhi)數
24db收獲值
增加收益抑制范圍(wei)內:15db
低直流變壓(ya)器電額(e)定功率,160MA5V
單(dan)片(pian)機芯片(pian)面(mian)積:2.32X1.23X0.10mm
UMS徽波(bo)身為(wei)國外公厘波(bo)處理器(qi)的(de)(de)(de)(de)代表著(zhu)知名品(pin)牌,在德國的(de)(de)(de)(de)和荷蘭使(shi)用(yong)有領域產業園。UMS在世界的(de)(de)(de)(de)范圍內高性價(jia)比用(yong)途股票市(shi)場占(zhan)用(yong)無需使(shi)用(yong)的(de)(de)(de)(de)影響(xiang)。UMS供(gong)給對于ASIC或目錄格(ge)式設備(bei)的(de)(de)(de)(de)網絡綜合價(jia)格(ge),其主要根據機構內部結構的(de)(de)(de)(de)III-V的(de)(de)(de)(de)技術,并給出(chu)推進改革的(de)(de)(de)(de)協議書貼(tie)心服務,使(shi)朋友應該直接(jie)性搭建自家的(de)(de)(de)(de)設備(bei)完(wan)(wan)成細則。從交(jiao)流電電到100GHz的(de)(de)(de)(de)UMS根目錄食品(pin)均基本概念GaAs、Gan、SiGe方(fang)(fang)法,包涵多達200W的(de)(de)(de)(de)最(zui)大功率變成器(qi)、分層數據信息(xi)職能、極低燥(zao)聲變成器(qi)和詳(xiang)細完(wan)(wan)整(zheng)的(de)(de)(de)(de)收(shou)發的(de)(de)(de)(de)時(shi)候器(qi)程序。UMS物料以壓(ya)鑄模方(fang)(fang)法具備(bei),但應該以多心片模塊(kuai)圖(tu)片的(de)(de)(de)(de)方(fang)(fang)法芯片封裝。
西安市立維創(chuang)展(zhan)(zhan)科技(ji)開發有限(xian)制子公司是(shi)UMS的選擇(ze)商,專業為(wei)(wei)手機無線(xian)電技(ji)術網絡工(gong)業、航天(tian)科技(ji)基站設備(bei)、國防教育(yu)、車、ism等業內展(zhan)(zhan)示 高牢靠(kao)性頻射微(wei)波通信mm毫(hao)米波配件及集成系統三極管。UMS商品選取QFN和沖(chong)壓模具包裝(zhuang)盒,交期期短,價格優越性獨(du)有。各位為(wei)(wei)某些尺寸出示優質量水平的UMS設備(bei)存量。歡迎辭在(zai)線(xian)咨詢。
信息掌握UMS請點擊進入://anchor-appliance.cn/brand/36.html