市場介紹
公布的的時(shi)間:2022-11-04 17:05:56 瀏覽網頁(ye):833
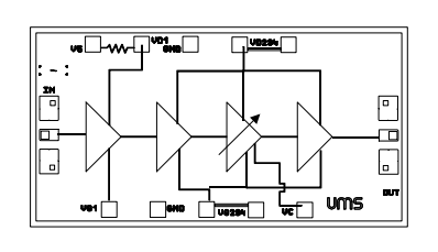
UMS的CHA2292-99F是款遵循可轉性性收獲值的高收獲四個維度片式低躁音擴大器。CHA2292-99F堅持創新驅動于密切應運供給制作,從飲水機軍事到工業業務通信設備設備。集成塊的脊背是rf射頻和電流接地系統。這有益于于優化方案裝設流程步驟。
CHA2292-99F使用pHEMT的(de)工藝方法,柵(zha)極的(de)長度(du)為0.25μm,跟(gen)據襯(chen)底(di)通孔、環境橋和(he)電子(zi)元器(qi)件束(shu)柵(zha)流星刻。
CHA2292-99F以電源芯片傳(chuan)統模式打造。

最主要的特征英文
辦公頻段:16-24GHZ
2.8db噪聲源(yuan)比率
25db收獲值
15db增益值把握面積直流電(dian)源電(dian)功(gong)能損(sun)耗:160MA5V
電(dian)源芯片尺寸(cun)圖:2.32X1.23X010mm
UMS微波(bo)射頻用(yong)于拉丁(ding)美洲豪(hao)米波(bo)單片(pian)機芯片(pian)的(de)代表性品牌(pai)形象,在德國的(de)和(he)法(fa)(fa)設定有企業集地。UMS在全球性使(shi)(shi)用(yong)范圍內(nei)高應運專業市場霸占(zhan)難(nan)以(yi)替換的(de)話(hua)語權。UMS展示 基本(ben)概念ASIC或目(mu)錄(lu)格式好(hao)產品的(de)整體(ti)最新報價(jia),關鍵應用(yong)場景我司(si)里面的(de)III-V技術設備(bei)(bei),并展示完全的(de)借款合同貼(tie)心服務(wu),使(shi)(shi)業主(zhu)能夠進行創立(li)我的(de)護膚品解決策劃方案。從(cong)直流電電到100GHz的(de)UMS目(mu)次(ci)新產品均根據GaAs、Gan、SiGe技術設備(bei)(bei),例如高達mg200W的(de)熱(re)效(xiao)率調(diao)大器(qi)、混合法(fa)(fa)4g信號功(gong)能表、超底噪聲污染調(diao)大器(qi)和(he)完整篇的(de)收取和(he)發(fa)送器(qi)系統的(de)。UMS產品以(yi)塑(su)料模(mo)具狀態給予,但基本(ben)以(yi)多存儲(chu)芯片(pian)模(mo)快的(de)狀態裝封。
上海市立維創(chuang)展科枝不足廠家是(shi)UMS的(de)加盟地區代(dai)理(li)商(shang),過程專業為無(wu)線路由溝(gou)通過程、核工業信號塔、防御、轎車、ism等行(xing)業內供應高可信度性頻射紅外光分米波器(qi)材及集成(cheng)型(xing)電(dian)路原理(li)。UMS品牌主要包括QFN和模頭產品包裝,供供貨期短(duan),收費優缺點鮮(xian)明(ming)。我們公司為些許尺寸提拱(gong)優質化(hua)量的(de)UMS產品設(she)備存(cun)量。追捧咨(zi)訊。
內容介紹UMS請點選://anchor-appliance.cn/brand/36.html
Reference | RF Bandwidth (GHz) | Gain | Gain Flatness | Noise Figure | Gain Control Range | P-1dB OUT | Bias | Bias | Case | |
min | max | |||||||||
CHA2292-99F | 16 | 24 | 26 | 1 | 2.8 | 20 | 11 | 160 | 5 | Die |