HMC322ALP4E/HMC322ALP4ETR光纖寬帶非反射層SP8T觸點開關 ADI現貨交易
發布消息時刻:2018-07-10 15:03:37 看:1994
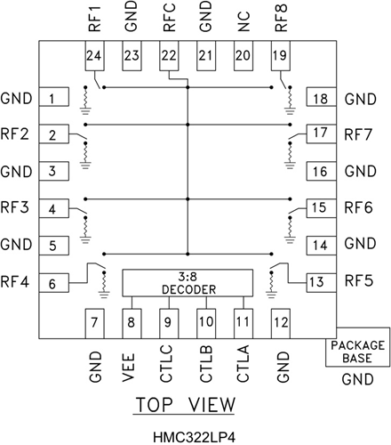
HMC322ALP4E一款寬帶網絡非反射層GaAs MESFET SP8T轉換旋轉轉換按鈕按鈕,選用節省成本費無引腳表貼封裝形式。 該轉換旋轉轉換按鈕按鈕平率面積為DC至8 GHz,享有高隔絕和低放入耗費。 該轉換旋轉轉換按鈕按鈕還集淪為片內二進制轉碼電線,將的需求語言表達管理線減至幾條。 該轉換旋轉轉換按鈕按鈕選用0/-5V負管理電壓值事情,的需求緊固偏置為-5V。 該轉換旋轉轉換按鈕按鈕適用人群于50歐姆或75歐姆系統化。若您有任何的問題,請連系大家大家立維創展,大家大家會盡較大全力為您安全服務。
|
品牌
|
型號
|
描述
|
貨期
|
庫存
|
|
ADI
|
HMC322ALP4E
HMC322ALP4ETR
|
GaAs MMIC SP8T非反射式開關,DC - 8 GHz
|
現貨
|
186
|
HMC322ALP4E應用
該按鈕適于于DC - 8.0 GHz 50歐姆或75歐姆系統化:
-
寬帶
-
光纖產品
-
開關濾波器組
-
低于8 GHz的無線應用
HMC322ALP4E優勢和特點
-
寬帶性能: DC - 8.0 GHz
-
高隔離度: >30 dB@ 6 GHz
-
低插入損耗: 2.4 dB@ 6 GHz
-
集成式3:8 TTL解碼器
-
24引腳4x4mm QFN封裝: 9 mm2
HMC322ALP4E結構圖
