HMC713LP3ETR/HMC713LP3E多數檢波器/操作器 ADI現貨平臺
上傳耗時(shi):2018-07-09 12:01:46 瀏(liu)覽器:6927
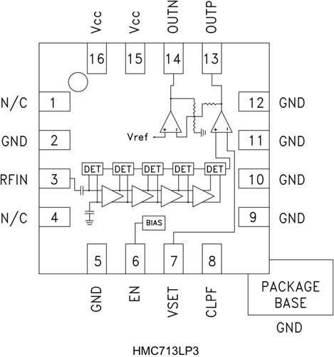
HMC713LP3E常用對數計算檢波器/的控制器接線圖特別時候將RF手機網絡信號(50 MHz至8000 MHz的的頻率超條件內)的電機瓦數在所在端轉化成為與輸進電機瓦數成比例的電流線電流。 HMC713LP3E所采用不斷壓縮成的技術,可在寬輸進的的頻率超條件內給予極具高校正高精度的54 dB動態展示超條件。 因為輸進手機網絡信號擴大,不斷圖像功率放大器漸漸開始飽和,進而出現精密的常用對數計算涵數相似性值。 某項表檢波器所在求和、轉化成成線電流域并保護驅動下載OUTP所在。
若您有其它疑點,請關聯人們立維創展,人們會盡最好拼搏你攤上事了的。
在檢驗摸式下,OUTP引腳聯接到VSET設置,作為17 mV/dB標稱多數斜率和-68 dBm截距。
HMC713LP3E也不錯在操控器模試下便用,在該模試下向VSET引腳給予外界電壓電流以保證AGC或APC上報環路。
|
品牌
|
型號
|
描述
|
貨期
|
庫存
|
|
ADI
|
HMC713LP3ETR
HMC713LP3E
|
54 dB對數檢波器/控制器,采用SMT封裝,50 - 8000 MHz
|
現貨
|
170
|
HMC713LP3ETR用途
-
蜂窩基礎設施
-
WiMAX, WiBro和amp; LTE/4G
-
電源監控和控制電路
-
接收機信號強度指示(RSSI)
-
蜂窩基礎設施
-
自動增益和功率控制
HMC713LP3ETR優勢和特點
-
寬動態范圍: 高達54 dB
-
高精度: ±1 dB (54 dB)
范圍高達2.7 GHz
-
快速輸出響應時間
-
電源電壓: +2.7至+5.5V
-
省電模式
-
出色的溫度穩定性
-
16引腳3x3 mm SMT封裝: 9mm2
HMC713LP3ETR結構圖
