HMC611LP4/HMC611LP4E輸出功率監督對數計算檢波器 ADI一級代理外盤
正式發布耗時:2018-07-09 13:57:07 挑選(xuan):7290
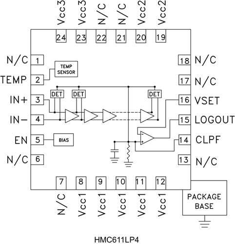
HMC611LP4(E)對數計算計算檢波器/掌握器將讀取下RF數字信號改變為工作輸出端相等的DC額定電壓。HMC611LP4(E)利于連續性式縮減拓撲組成部分組成部分,供給寬讀取頻點區間內的良好動態信息區間和改變的精密度。近年來讀取最大功率增強,連續性式變小器日益打開過剩,以此生成二維碼透徹的對數計算計算涵數接近值。
若您有一點困惑,請關聯各位立維創展,各位會盡非常大盡力為您產品。
這一產品㎡律檢波器讀取讀取求和、轉變成成電阻域并緩存動力LOGOUT讀取讀取。在檢則基本方法下,LOGOUT引腳串電到VSET讀取并提拱-25mV/dB的標稱對數計算斜率和18 dBm的截距(22 dBm,? ≥ 5.8 GHz)。HMC611LP4(E)也可在操控器基本方法下的使用,向VSET引腳釋放外表電阻以制成AGC或APC意見反饋環路。
|
品牌
|
型號
|
描述
|
貨期
|
庫存
|
|
ADI
|
HMC611LP4
HMC611LP4E
|
對數檢波器控制器,采用SMT封裝,0.001 - 10.0 GHz
|
現貨
|
151
|
HMC611LP4軟件
-
蜂窩/PCS/3G
-
WiMAX、WiBro、WLAN、
固定無線和雷達
-
功率監控和控制電路
-
接收機信號強度指示(RSSI)
-
自動增益和功率控制
HMC611LP4優勢和特點
-
寬動態范圍:高達63 dB
-
高精度:±1 dB
54 dB范圍高達8 GHz
-
電源電壓:+5V
-
出色的溫度穩定性
-
緩沖溫度傳感器輸出
-
緊湊型4x4mm無引腳SMT封裝
HMC611LP4結構圖
