行業內新聞
更新期(qi)限:2018-07-05 11:08:07 搜索(suo):1977
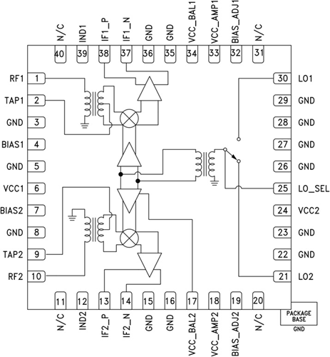
HMC683LP6C(E)是一款(kuan)高線性度、雙通道下變頻(pin)(pin)器,集成(cheng)LO放大器,采用6x6 SMT QFN封裝,工作頻(pin)(pin)率為0.7 - 1.0 GHz。 LO驅動為0 dBm時,3G和4G GSM/CDMA應用可以獲得(de)+23 dBm的(de)出色輸(shu)入IP3下變頻(pin)(pin)性能。 采用1 dB (+11 dBm)壓縮時,RF端口支持(chi)各種(zhong)輸(shu)入信號電(dian)平。立維創展HMC683LP6C 轉換增(zeng)益(yi)典型(xing)值(zhi)為7.5 dB。 60 - 500 MHz的(de)IF頻(pin)(pin)率響應能夠滿足各種(zhong)GSM/CDMA接收頻(pin)(pin)率規劃要(yao)求。
| 品牌 | 型號 | 描述 | 貨期 | 庫存 |
| ADI |
HMC683LP6CE HMC683LP6CETR |
高IP3雙通道下變頻器SMT,集成LO開關,0.7 - 1.0 GHz | 現貨 | 223 |
HMC683LP6CE廣(guang)泛應用
HMC683LP6CE優勢和特點
HMC683LP6CE結構圖
