HMC685LP4E/HMC685LP4ETR高信息范疇集合LO拖動器 ADI現貨平臺
發部時光:2018-07-05 11:41:27 訪問 :2117
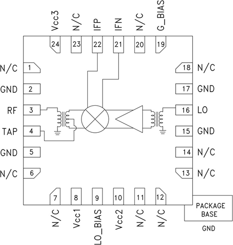
HMC685LP4(E)就是種款高gif動態比率無源MMIC混頻器,智能家居控制LO縮放器,主要包括4x4 SMT QFN裝封,本職工作聲音頻段為1.7 - 2.2 GHz。 LOwin7驅動為0 dBm時,3G和4G GSM/CDMA技術應用應該榮獲+32 dBm的好品質顯示IP3下變頻柜穩定性。 主要包括1 dB (+27 dBm)文件壓縮時,RF服務器端口可以支持繁多顯示警報電平。 裝換不足具代表性臨界值8 dB。 DC至500 MHz的IF聲音頻段崩潰可以足夠GSM/CDMA反射或發收聲音頻段設計規劃規定要求。 HMC685LP4(E)與HMC684LP4(E)引腳兼容,交給就是種款智能家居控制LO縮放器的700 - 1,000 MHz混頻器。
|
品牌
|
型號
|
描述
|
貨期
|
庫存
|
|
ADI
|
HMC685LP4E
HMC685LP4ETR
|
集成LO放大器的BiCMOS混頻器,1.7 - 2.2 GHz
|
現貨
|
158
|
HMC685LP4應用
-
蜂窩/3G和LTE/WiMAX/4G
-
基站和中繼器
-
GSM、CDMA和OFDM
-
發射機和接收機
HMC685LP4優勢和特點
-
高輸入IP3:+35 dBm
-
8 dB轉換損耗(0 dBm LO)
-
針對低端LO輸入優化
-
可調電源電流
-
上變頻和下變頻應用
-
24引腳4x4mm SMT封裝:16mm2
HMC685LP4結構圖
