相關行業內容
公布的準確時間:2018-07-05 10:57:04 搜索:2474
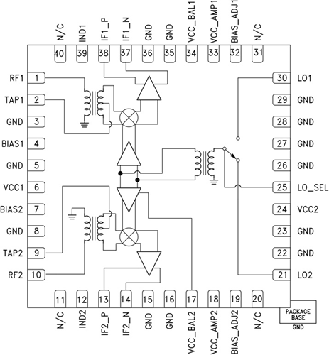
HMC682LP6C(E)是一(yi)款高線性(xing)度、雙通(tong)道下變(bian)頻(pin)器(qi),集成(cheng)LO放(fang)大(da)器(qi),采用(yong)(yong)6x6 SMT QFN封裝,工作頻(pin)率為(wei)1.7 - 2.2 GHz。 該器(qi)件針對3G和4G GSM/CDMA應用(yong)(yong)提供+25 dBm的出色輸入(ru)IP3性(xing)能以進(jin)行下變(bian)頻(pin),LO驅動為(wei)0 dBm。立(li)維(wei)創展 HMC682LP6C(E)RF端口的輸入(ru)1 dB壓縮為(wei)+15 dBm,可支(zhi)持(chi)寬范圍輸入(ru)信號電(dian)平(ping)。 轉換增(zeng)益典型值(zhi)為(wei)6 dB。 60 - 400 MHz IF頻(pin)率響應滿足各種(zhong)GSM/CDMA接收頻(pin)率規劃(hua)要求。
| 品牌 | 型號 | 描述 | 貨期 | 庫存 |
| ADI |
HMC682LP6CE HMC682LP6CETR |
高IP3雙通道下變頻器,采用SMT封裝,集成LO開關 ,1.7 - 2.2 GHz |
現貨 | 258 |
HMC682LP6CE操作
HMC682LP6CE優勢和特點
