相關行業介紹
發布(bu)公(gong)告(gao)時間(jian)段:2018-07-03 13:48:22 訪問(wen):1993
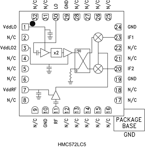
該鏡像抑制混頻器使得LNA之后無需使用濾波器,并可消除鏡像頻率下的熱噪聲。 它具有I和Q混頻器輸出,所需外部90°混合型器件用于選擇所需邊帶。立維創展 ADI現貨交易 HMC572LC5為混合型鏡像抑制混頻(pin)器(qi)下變頻(pin)器(qi)組件的小型替代器(qi)件,它無需(xu)線(xian)焊,可以使用表(biao)貼制造技術(shu)。
| 品牌 | 型號 | 描述 | 貨期 | 庫存 |
| ADI |
HMC572LC5 HMC572LC5TR |
I/Q接收機,采用SMT封裝,24 - 28 GHz | 現貨 | 156 |
HMC572LC5優勢和特點
