HMC904LC5/HMC904LC5TR移動電下交流變頻電機 ADI現貨黃金代理加盟商
發布(bu)新聞時:2018-07-03 13:45:37 挑(tiao)選:2395
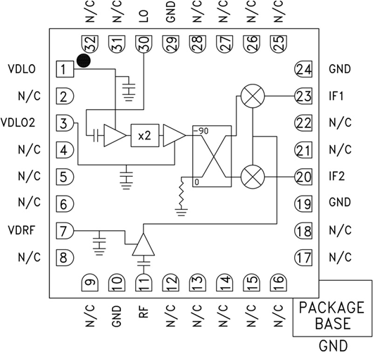
HMC904LC5有的是款緊湊suv型GaAs MMIC I/Q下調頻器,按照達到RoHS標準規范的無引腳SMT封裝形式。 該元器件保證數據12 dB的小走勢轉移增益值、3 dB的噪聲源常數,并在頻段時間范圍內保證數據30 dB的系統鏡象壓制穩定性。 HMC904LC5按照LNA,后接由有源x2倍頻器能夠的系統鏡象壓制混頻器。
該iso鏡象遏制混頻器表明LNA此后不用辦理用到濾波器,并可解除iso鏡象頻率下的熱躁聲。 它具I和Q混頻器輸入輸出,所必需要表面90°融合型配件用來選取所必需要邊帶。 HMC904LC5是融合型iso鏡象遏制混頻器下直流伺服零件的小形使用配件,兼容表貼加工的技術。
|
品牌
|
型號
|
描述
|
貨期
|
庫存
|
|
ADI
|
HMC904LC5
HMC904LC5TR
|
GaAs MMIC I/Q下變頻器,17 - 24 GHz
|
現貨
|
105
|
應用軟件
-
一對一和點對單點手機無線電
-
軍工雷達天線、EW和ELINT
HMC904LC5優勢和特點
-
轉換增益: 12 dB
-
鏡像抑制: 30 dB
-
2 LO至RF隔離: 45 dB
-
噪聲系數: 3 dB
-
輸入IP3: 0 dBm
-
32引腳5x5mm SMT封裝: 25mm2
HMC904LC5結構圖
