HMC498LC4/HMC498LC4TR高新動態的范圍馬力調小器 ADI期貨
發布信息日子:2018-06-29 13:47:59 挑選:2308
HMC498LC4都是款高動態的範圍內GaAs PHEMT MMIC中低電率增加器,應用無引腳“無鉛”SMT裝封。 該增加器有著17至24 GHz的的工作範圍內,打造22 dB增益控制、+26 dBm過飽和電率和23% PAE(+5V電源開關電流電壓)。 HMC498LC4低頻噪音指數公式為4 dB,輸送IP3為+36 dBm(先進典型值),能作作低低頻噪音自動化測試及及驅動安裝增加器。 隔直RF I/O輸入至50 Ω,運行便捷。 HMC498LC4不可線焊,還可以運行表貼創造方法。
|
品牌
|
型號
|
描述
|
貨期
|
庫存
|
|
ADI
|
HMC498LC4
HMC498LC4TR
|
中等功率放大器,采用SMT封裝,17 - 24 GHz
|
現貨
|
269
|
HMC498LC4app
-
點對點無線電
-
點對多點無線電和VSAT
-
測試設備和傳感器
-
軍用最終用途
HMC498LC4優勢和特點
-
輸出IP3: +36 dBm
-
飽和功率: +26 dBm (23% PAE)
-
增益: 22 dB
-
+5V(250 mA)電源
-
50 Ω匹配輸入/輸出
-
符合RoHS標準的4x4 mm SMT封裝
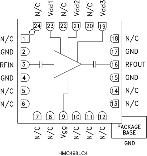
HMC498LC4結構圖
