HMC-APH596/HMC-APH596-SX兩極GaAs HEMT MMIC高的英語效率放小器 ADI外盤
發布新聞時間間隔:2018-06-29 11:18:34 瀏覽訪問:1834
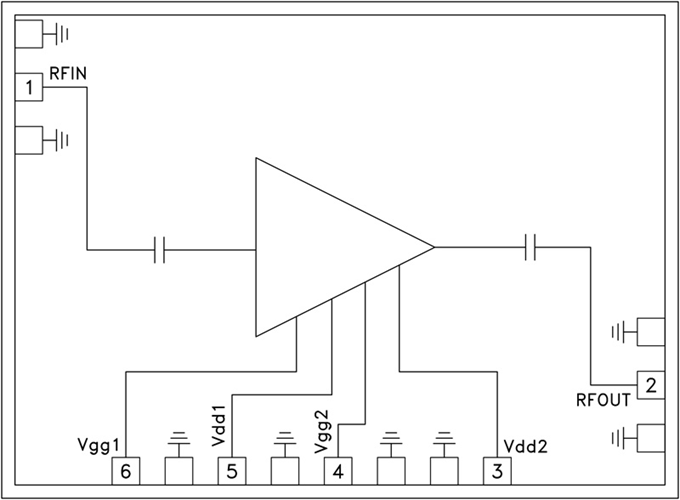
HMC-APH596是款二級GaAs HEMT MMIC適中電率擴大器,運作聲音頻率位置為16至33 GHz。 HMC-APH596展示17 dB增益控制,采用了+5V供電電壓降時包括+24 dBm輸出電率(1 dB縮減)。 每個焊盤和心片正面都途經Ti/Au塑料化,擴大器已充分鈍化以保持可信度操作流程。
HMCAPH596 GaAs HEMT MMIC高的英語工作功率調小器兼容過去的的集成塊貼裝方式英文,已經熱壓解和熱高周波線電工藝,更加可以MCM和混微電路系統選用。 在這兒界面顯示的大部分數據統計均是集成塊在50 Ω生活環境下用RF傳感器接觸的面積得出。
|
品牌
|
型號
|
描述
|
貨期
|
庫存
|
|
ADI
|
HMC-APH596
HMC-APH596-SX
|
MMIC中等功率放大器,16至33 GHz
|
現貨
|
323
|
采用
HMC-APH596優勢和特點
-
輸出IP3: +33 dBm
-
P1dB: +24 dBm
-
增益: 17 dB
-
電源電壓: +5V
-
50 Ω匹配輸入/輸出
-
裸片尺寸:
2.55 x 1.87 x 0.1 mm
HMC-APH596結構圖
