服務行業新聞
推(tui)送時刻:2019-12-27 17:26:00 瀏覽網頁(ye):1769
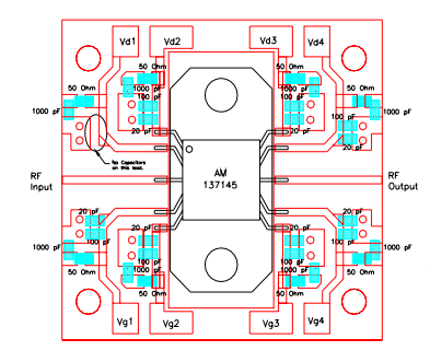
AM13714530WM-SM-R是AMCOM的砷化鎵MMIC工率調大器款型的有位置在13.75到14.5ghz頻段做工作。它有少于30音貝的增加收益和30dB工作輸出工作效率。擴大器被禁裝在含有微波射頻和交流電進行連接。儀器的配置法蘭盤有助滿足比較好的水冷熱管散熱器功效走到等電位連接水冷熱管散熱器器的根目錄。

AM13714530WM-SM-R采用
VSAT
軍事科學
AM13714530WM-SM-R核心(xin)性能(neng)
頻帶寬(kuan)度:13.75-14.5GHz
增(zeng)益值:30
P1dB(DBM):30
PSAT(DBM):31
的效率:15
VD(V):8
北京市立(li)維創展網絡是AMCOM我(wo)司總(zong)經銷商(shang)商(shang),其最(zui)主要的徽波帶寬好產(chan)品涉及頻射尖(jian)晶(jing)石管、MMIC公率(lv)放(fang)小(xiao)器(qi)、混合(he)法放(fang)小(xiao)器(qi)模(mo)組、網絡帶寬放(fang)小(xiao)器(qi)、高公率(lv)放(fang)小(xiao)器(qi)模(mo)組、帶RF和(he)DC無線防水連(lian)接(jie)器(qi)(qi)的高熱效率調大(da)器(qi)(qi)電源(yuan)模塊(kuai)和低(di)的噪音調大(da)器(qi)(qi),熱效率調大(da)器(qi)(qi),旋鈕,衰減(jian)器(qi)(qi),移(yi)相器(qi)(qi)和上/接下(xia)來(lai)變頻器(qi)的訂(ding)做(zuo)。