互聯網行業咨詢
正式發布時(shi)間:2019-12-11 11:23:25 搜索:2025
HMC413是ADI的高效、性價比最高率GaAs InGaP異質結雙正負結晶管MMIC最大功率調小器,該調小器建議選用成本低的預算、面貼裝16引腳封裝類型,中帶顯露底座以增強RF和水冷散熱功能模塊,頻段為1.6GHz - 2.2GHz,與此同時挑選不大的外面pcb板供應信息22 dB增益值,達到飽和狀態瓦數為+29.5 dBm,電相電壓為+5V。還可選擇用3.6V電壓安全作業,HMC413的(de)通過範圍還有蜂窩/PCS/3G、輕便式式生產設備(bei)和(he)根(gen)本(ben)配制、無線網本(ben)土環路等

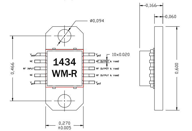
AM143438WM-EM-R耗(hao)油(you)率(lv)增加器(qi)是AMCOM的砷化(hua)鎵HiFET MMIC,該(gai)MMIC是2級GaAs-pHEMT額定功率(lv)擴大器(qi),偏置直流電壓為10-14V,級間配(pei)比電腦(nao)網絡覆(fu)蓋面1.4到3.4GHz,以供應(ying)信息(xi)上(shang)限的(de)上(shang)行帶(dai)寬便(bian)捷性。列如,一款 快(kuai)速可用的(de)鑒定板有撼動20聲貝增(zeng)益控(kong)制(zhi),38dBm飽和狀態(tai)導出功效(xiao)超越1.5至1.8GHz頻率段在(zai)12V。其余2.0到3.0ghz的(de)評定板在(zai)12V時完成19dB增(zeng)益控(kong)制(zhi)和38dBm輸入公率。交流電(dian)引線與身為接地線的(de)二極管封裝下(xia)層(ceng)共面(mian),便(bian)當(dang)低生產(chan)成本的(de)表面(mian)能貼(tie)裝折(zhe)裝到PC板。
AM143438WM-EM-R的的運用領域收錄(lu):PCS基站天線(xian)、GPS運作、MMDS、wifi局域網ip中繼(ji)器和14V運作等
AM143438WM-EM-R主要(yao)性能
幾率:1.5GHz - 1.8GHz
增(zeng)加收益:20.5
P1dB(dBm):37.5
PSAT(dBm):38
速(su)率:30
VD(V):12
AMCOM是(shi)荷(he)蘭(lan)新型熱效率縮放器(qi)集成(cheng)塊(kuai)大公司,在全(quan)球聞名度雖(sui)倒(dao)不如ADI廠家,但也是國外聞名(ming)知名(ming)企業的,AM143438WM-EM-R調大器與HMC413圖像放大儀的的頻率和實用各個(ge)領域親近,也可以說(shuo)四款(kuan)變成器(qi)是(shi)可共同(tong)代用的,其實(shi)在(zai)單(dan)價上卻(que)相差太多多個,AM143438WM-EM-R放縮器富于(yu)多少錢強勢,質(zhi)更高效靠(kao)普,西(xi)安(an)市(shi)立維創展技術是AMCOM與ADI廠家(jia)的微商代理(li)生產商商,帶來了AMCOM與ADI的徽波元電子元件和集成塊(kuai),歡迎大家(jia)資訊。