職業房產資訊
發布的(de)期(qi)限:2019-11-14 10:56:28 查詢:3364
HMC8410-DIE低環境噪聲變大器是ADI新公司的的一款砷化鎵、單基(ji)帶芯片MMIC和假晶高電(dian)子為了滿足電(dian)子時代發展的需求,滲透(tou)率氯(lv)化鈉晶體(ti)管(guan)的增加(jia)器(qi),該拖動器內部(bu)組織輸入50 Ω,運轉次數區間為0.01 GHz至10 GHz,提拱19.5 dB經典增加(jia)收益、1.1 dB典例噪音分貝標準值(zhi)和33 dBm類型導出IP3
HMC8410-DIE低噪音分貝(bei)放縮器的采(cai)用(yong)區(qu)域為(wei)平臺定(ding)議無線數字電、電子器件戰(zhan)和聲(sheng)納使用,價格(ge)為$32.85
決定性指標
頻(pin)繁 :0.01 GHz至10 GHz
低躁聲因(yin)子:1.1 dB
高增(zeng)益控(kong)制:19.5 dB
高輸出三階交調截點(IP3):33 dBm

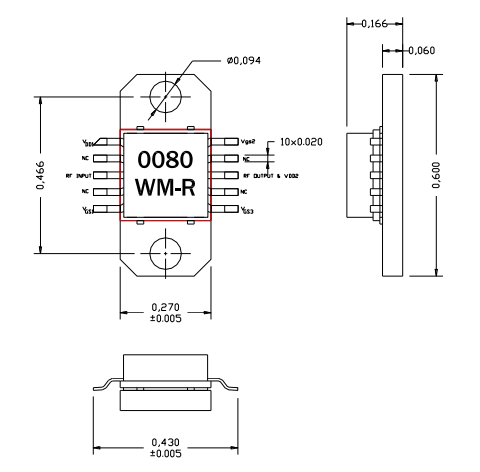
AM008030WM-EM-R變小器是AMCOM大公司的有款超高帶砷化鎵MMIC,該變成器(qi)填(tian)寫/內容輸出適(shi)配50歐(ou)姆,具有著(zhu)18音貝的高增益控制,又(you)很>0.05GHz至10GHz頻(pin)段28dBm輸出的(de)電率。AM008030WM-EM-R的運用區域為app無線網絡電、汽車(che)儀表盤和增(zeng)加收益塊
非常重要基本參數
概率:0.05-10GHz
增益控制:18
P1dB(DBM):30
PSAT(DBM):31
吸收率:20
VD(V):12
與(yu)HMC8410-DIE相對(dui)于(yu),AM008030WM-EM-R變大器雖(sui)沒得ADI機構的的產品(pin)知名品(pin)牌度不高,但也是國(guo)際英文大公(gong)司,另外規格、采用(yong)也絕無(wu)異(yi)于HMC8410-DIE,AM008030WM-EM-R調小(xiao)器市場價適合(he)、高特性(xing)而是使用,的歡迎咨詢中(zhong)心(xin)立維創展。