行業內內容
發表時光:2019-11-12 11:47:19 閱覽:2072
AM009023WM-EM-R公率變大器是AMCOM裝修公司的超高帶砷化鎵MMIC,該圖像放大器電路享有24分貝的高收獲,從50MHz到9GHz頻段的23dBm工作輸出熱效率,噪(zao)聲(sheng)系數為4.5分貝(bei)至(zhi)4赫(he)茲,和與50歐姆匹配的輸入(ru)/輸出

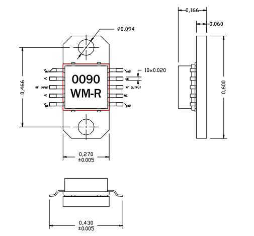
AM009023WM-EM-R最(zui)大(da)功率拖(tuo)動器的封裝類型(xing)頂端(duan)中有微波射頻(pin)和直流(liu)變壓器引(yin)線,有助于將低資金SMT裝設(she)到PC上(shang)。AM009023WM-EM-R含有(you)直(zhi)引線和銅/鎢活套法(fa)蘭(lan)盤(pan)當作銅活套法(fa)蘭(lan)盤(pan),活套法蘭(lan)上都有兩(liang)大螺孔(kong),是為(wei)了擰上金屬件cpu冷(leng)卻器(qi)。按照(zhao)RoHS,應運區域差(cha)別(bie)是圖片軟件無線路由電、義(yi)表、增益(yi)控制塊、低燥聲(sheng)用等
AM009023WM-EM-R根(gen)本(ben)性能(neng)參數(shu)
頻段:0.05-9GHz
收獲:21
P1dB(DBM):21
PSAT(DBM):23
利用率:20
VD(V):12
南京市立維創展科技開發是AMCOM公司的(de)總微商代理,其最主(zhu)要的(de)微波微波射(she)頻(pin)帶寬好產(chan)品屬于微波射(she)頻(pin)晶(jing)胞管、MMIC工(gong)作效(xiao)(xiao)率(lv)增加(jia)器(qi)(qi)、混雜增加(jia)器(qi)(qi)模(mo)組、網絡帶寬增加(jia)器(qi)(qi)、高工(gong)作效(xiao)(xiao)率(lv)增加(jia)器(qi)(qi)模(mo)組、帶RF和DC鏈接器(qi)(qi)的(de)高效(xiao)(xiao)率(lv)調(diao)小(xiao)(xiao)器(qi)(qi)模(mo)塊圖片和低噪音源調(diao)小(xiao)(xiao)器(qi)(qi),效(xiao)(xiao)率(lv)調(diao)小(xiao)(xiao)器(qi)(qi),觸點開關,衰減器(qi)(qi),移相器(qi)(qi)或者上/底(di)下直流伺服驅動器(qi)(qi)的(de)設計。