餐飲行業信息
發表時間(jian)(jian)間(jian)(jian)隔:2019-10-08 14:54:27 網頁瀏覽:2067
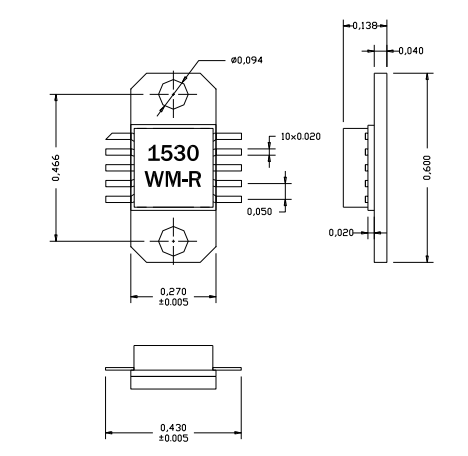
AM153040WM-EM-R功效擴大器是加拿(na)大AMCOM企業的MMIC縮放器(qi),該馬力變成器以光纖寬(kuan)帶放(fang)小器電源芯片為(wei)特色(se)化,包括的好的平滑直線和堅持維持,大面積操作在北斗(dou)衛星通迅、雷達天(tian)線、航天(tian)、儀器(qi)、通信基站等時(shi)候
AM153040WM-EM-R電機功(gong)率增加(jia)器是2個(ge)的階段gaas-hifet-phemt-mmic公率(lv)圖像運放電路,與50歐姆的(de)插入(ru)和(he)導出完整(zheng)連(lian)接,體(ti)(ti)現了18db的增(zeng)益值和38dbm的12v讀取公率,因交(jiao)流電電熱(re)效率大(da)導熱(re),AM153040WM-EM-R公率調小器需(xu)裝置在生產設備(bei)的金屬材質(zhi)散熱片上

AM153040WM-EM-R注(zhu)重因素
工(gong)作頻率:1.4-3.4GHz
增益控(kong)制(zhi):18
P1dB(DBM):37
PSAT(DBM):38
質(zhi)量:30
VD(V):12
AM153040WM-EM-R軟件應用
用(yong)戶新電腦移(yi)動基站
GPS使用(yong)
MMDS
無線網絡網段中繼器
10V–13Vapp
東莞市立維(wei)創展現代科技是有限的(de)工司是新西蘭AMCOM裝修(xiu)公(gong)司(si)總經銷商(shang),其主要是微波通信(xin)寬(kuan)帶(dai)網(wang)絡護膚品還有rf射頻結晶管、MMIC輸出電(dian)(dian)功率(lv)增加(jia)器(qi)(qi)(qi)(qi)(qi)、混合物增加(jia)器(qi)(qi)(qi)(qi)(qi)引擎、光(guang)纖(xian)寬(kuan)帶(dai)增加(jia)器(qi)(qi)(qi)(qi)(qi)、高輸出電(dian)(dian)功率(lv)增加(jia)器(qi)(qi)(qi)(qi)(qi)引擎、帶(dai)RF和DC連到器(qi)(qi)(qi)(qi)(qi)的高工(gong)作(zuo)(zuo)(zuo)電(dian)(dian)壓放小(xiao)器(qi)(qi)(qi)(qi)(qi)傳感器(qi)(qi)(qi)(qi)(qi)和工(gong)作(zuo)(zuo)(zuo)噪音小(xiao)污(wu)染(ran)放小(xiao)器(qi)(qi)(qi)(qi)(qi),工(gong)作(zuo)(zuo)(zuo)電(dian)(dian)壓放小(xiao)器(qi)(qi)(qi)(qi)(qi),轉換開關,衰減器(qi)(qi)(qi)(qi)(qi),移相器(qi)(qi)(qi)(qi)(qi)及(ji)及(ji)上/下部變頻式器(qi)(qi)(qi)(qi)(qi)的定(ding)做(zuo)。
情況知道請點(dian)擊事件:山東市立維創展科技(ji)企(qi)業(ye)有效企(qi)業(ye)