HMC442LM1/HMC442LM1TR電機功率縮放器 ADI現貨平臺
分享耗時:2018-06-27 16:42:54 訪問 :1958
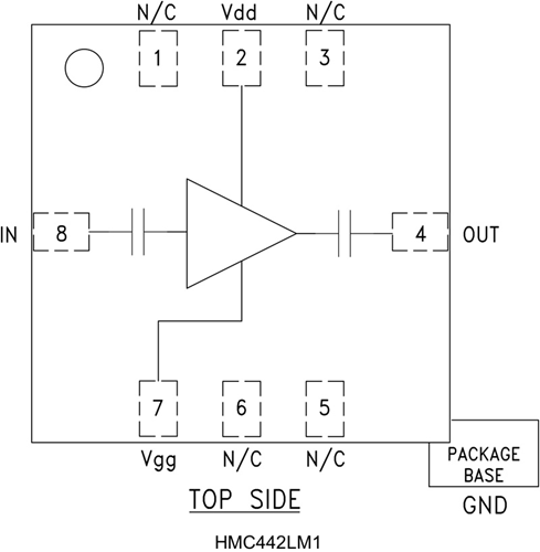
HMC442LM1就是一款聯通移動寬帶17.5至24 GHz GaAs PHEMT MMIC中高功效放小器,應用SMT無引腳集成塊平臺打包集成塊封裝。 LM1應用完全的表貼聯通移動寬帶毫米左右波打包集成塊封裝,可以打造低耗損和優秀的I/O自動匹配,并保持穩定MMIC集成塊特點。 該放小器可以打造14 dB增益值,過飽和功效為+23 dBm(27% PAE時),電源適配器電流為+5V。
50 Ω符合放縮器在RF輸入輸出和輸入輸出端上一體化隔直,特別適合用來是 線性網絡增益值應用程序、發射衛星鏈控制器或HMC SMT混頻器LO控制器。 是 單片機芯片和電線電纜交織應用程序的改用集成電路芯片,HMC442LM1沒有線焊,所以為大家打造相一致的標準接口。
|
品牌
|
型號
|
描述
|
貨期
|
庫存
|
|
ADI
|
HMC442LM1
HMC442LM1TR
|
中等功率放大器,采用SMT封裝,17.5 - 24.0 GHz
|
現貨
|
212
|
HMC442LM1應用
HMC442LM1優勢和特點
-
飽和功率: +23 dBm (27% PAE)
-
增益: 14 dB
-
電源電壓: +5V
-
50 Ω匹配輸入/輸出
HMC442LM1結構圖
