HMC-APH634兩極GaAs HEMT MMIC中低工率變大器 ADI現貨交易
更新(xin)的時間:2018-06-26 15:32:54 查看(kan):7012
HMC-APH634是一個款有級GaAs HEMT MMIC中高工率增加器,事情概率比率為81至86 GHz。 HMC-APH634展示12 dB增加收益,進行+4V電時有+20 dBm輸出精度工率(1 dB擠壓)。 所以的焊盤和集成塊正面都經過Ti/Au輕金屬化。 HMC-APH634 GaAs HEMT MMIC中高工率增加器兼容傳統意義的集成塊貼裝手段,或熱擠壓和熱超聲心動圖線電焊工藝,十分適用于MCM和相溶微控制電路應該用。 彼處彰顯的所以的數據分析均是集成塊在50 Ω環保下適用RF攝像頭觸及精確測量。
|
品牌
|
型號
|
描述
|
貨期
|
庫存
|
|
ADI
|
HMC-APH634
|
中等功率放大器芯片,81 - 86 GHz
|
現貨
|
198
|
操作
HMC-APH634優勢和特點
-
高增益: 12 dB
-
高P1dB: +19 dBm
-
電源電壓: +4V
-
50 Ω匹配輸入/輸出
-
裸片尺寸:
2.57 x 1.70 x 0.05 mm
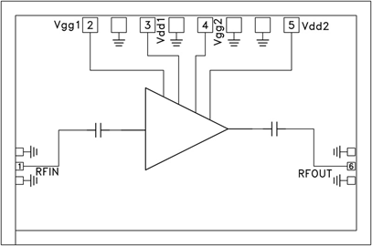
HMC-APH634結構圖
