HMC-AUH249/HMC-AUH249-SX分布范圍式驅程變小器裸片 ADI現貨黃金
發(fa)布的時段:2018-06-26 15:41:03 查詢(xun):2330
HMC-AUH249都是款GaAs MMIC HEMT分布圖式控制調小器裸片,在DC至43 GHz的幾率下事情,典范3 dB帶寬使用為35 GHz。 該調小器提高15 dB收獲,供大于求打出額定功率為+23 dBm,一起選取+5V相電壓電原工作電壓僅200 mA。
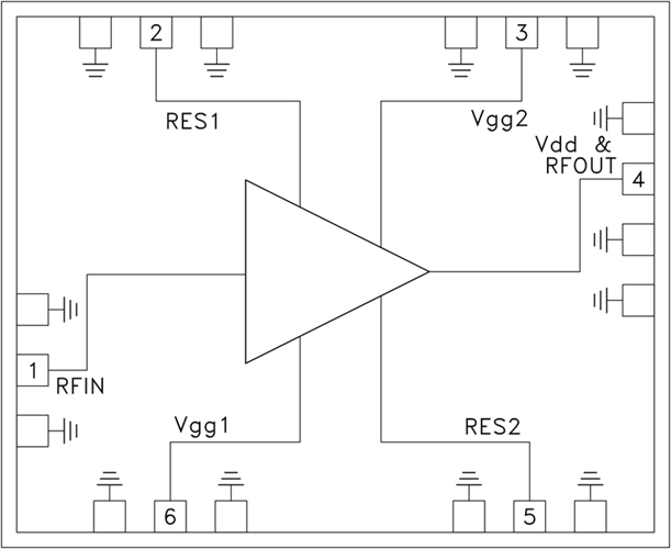
HMC-AUH249享有較好的增加收益,相位紋波超過了25 GHz,并能內容輸出電壓多于8V的峰頂值,故而很適當移動寬帶有線、電信光纖安全可靠和測試測試主設備廣泛應用。 該擴大器裸片擠占總面積問題4 mm2,有利解乏集成型到多電源開關芯片模塊圖片(MCM)中。 關于直流電壓電源開關線,HMC-AUH249需用偏置器和片外隔直pcb板及旁路電解電容。 Vgg1可控制節元器的偏置工作電流,Vgg2則控制內容輸出電壓增加收益。
|
品牌
|
型號
|
描述
|
貨期
|
庫存
|
|
ADI
|
HMC-AUH249
HMC-AUH249-SX
|
調制器驅動放大器芯片,DC - 35 GHz
|
現貨
|
156
|
HMC-AUH249應(ying)用
-
光纖調制器驅動器
-
適用于測試和測量設備的增益模塊
-
點對點和點對多點無線電
-
寬帶通信和監控系統
-
雷達警報系統
HMC-AUH249優勢和特點
-
小信號增益: 15 dB
-
輸出電壓: 最高8V pk-pk
-
Psat輸出功率: +23 dBm
-
高速性能: 大于35 GHz的3 dB帶寬
-
電源電壓:
+5V (200 mA)
-
S小尺寸裸片:
2.2 x 1.80 x 0.1 mm
HMC-AUH249結構圖
