HMC-APH633/HMC-APH633-SX/HMC-APH633-WP中級電功率放縮器 ADI現貨交易
推送日期:2018-06-26 15:26:00 閱覽:6993
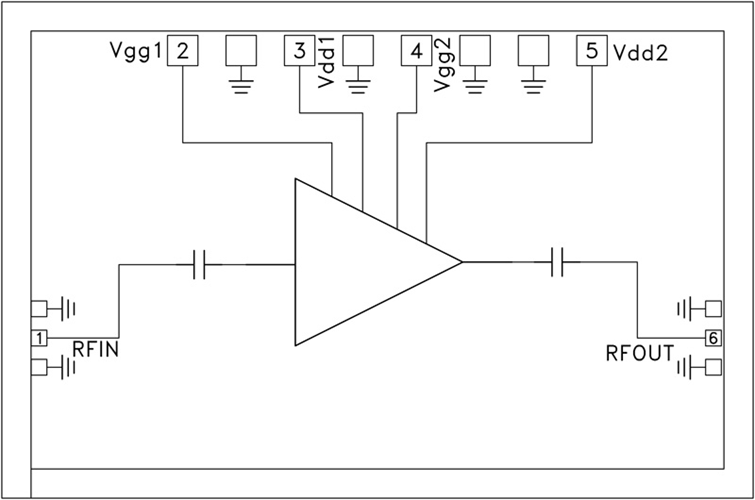
HMC-APH633不是款兩極GaAs HEMT MMIC中級耗油率變成器,作業頻繁 使用范圍為71至76 GHz。 HMC-APH633提高13 dB增加收益,選用+4V電源模塊電流時兼備+20 dBm轉換耗油率(1 dB降低)。 各種焊盤和集成電路芯片上面都途經Ti/Au金屬質化,變成器已齊全鈍化以控制耐用運作。
HMC-APH633 GaAs HEMT MMIC高的英語熱效率放縮器兼容傳統的的集成集成運放電源芯片貼裝方案,及其熱進行壓縮和熱彩超線焊接藝,越來越比較合適MCM和混后微集成運放軟件應用。 在這兒屏幕上顯示的各個大數據均是集成集成運放電源芯片在50 Ω區域環境下應用RF紅外探頭碰到測量。
|
品牌
|
型號
|
描述
|
貨期
|
庫存
|
|
ADI
|
HMC-APH633
HMC-APH633-SX,HMC-APH633-WP
|
中等功率放大器芯片,71 - 76 GHz
|
現貨
|
206
|
HMC-APH633應(ying)用
-
短程/高容量鏈路
-
無線LAN網橋
-
軍事和太空
-
E波段通信系統
HMC-APH633優勢和特點
-
增益: 13 dB
-
P1dB: +20 dBm
-
電源電壓: +4V
-
50 Ω匹配輸入/輸出
-
裸片尺寸:
2.47 x 1.60 x 0.05 mm
HMC-APH633結構圖
