互聯網行業新聞
上線日期:2018-06-26 15:14:32 打開網頁:6991
| 品牌 | 型號 | 描述 | 貨期 | 庫存 |
| ADI |
HMC441LH5 HMC441LH5TR |
中等功率放大器,采用SMT封裝,7.0 - 15.5 GHz | 現貨 | 216 |
HMC441LH5應用
HMC441LH5優勢和特點
+21.5 dBm (25% PAE)
提供(等級B或等級S)
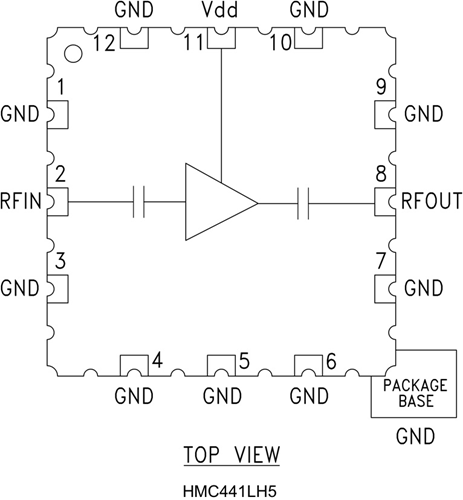
HMC441LH5結構圖
