HMC394LP4低躁聲GaAs HBT可程序語言5位運算器 現貨黃金
發布新聞用(yong)時:2019-02-26 17:20:32 訪問 :1781
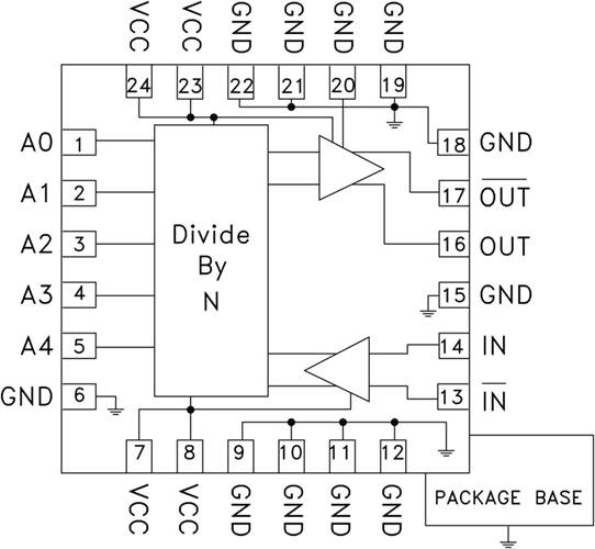
HMC394LP4(E)是一種款低背景嗓聲GaAs HBT可和程序編寫5位篩選器器,通過4x4 mm無鉛外表面貼裝封裝類型。 在讀取聲音的頻率高達到2.2 GHz時,該功率器件可在N為2至32範圍使用不斷分頻。 輸出端電壓端電壓擺幅為800 mV,占空比與N相差懸殊。100 kHz障礙時,該篩選器器的加性SSB相位背景嗓聲低至?153 dBc/Hz,極為試合低背景嗓聲聲音的頻率獲得器app。
|
品牌
|
型號
|
貨期
|
庫存
|
|
ADI
|
HMC394LP4
|
1周
|
90
|
假如您需用購賣HMC394LP4,請選擇一側網上客服認識我們的!!!
應用
優勢和特征
-
SSB相位噪聲: -153 dBc/Hz(100 kHz)
-
可選分頻:2至32
-
并行5位控制
-
寬輸入功率范圍: -20至+10 dBm
-
4x4 mm無鉛SMT封裝
示意圖

深圳市立維創展科技代理銷售ADI現貨產品,致力于為廣大客戶提供低價格、高質量、有保障的產品,提供優質的售前與售后服務技術。如您有任何產品需求以及服務請聯系我們客服人員,我們會再第一時間內為您解決問題。