該行業資迅
上架時長:2019-02-25 11:12:58 手機瀏(liu)覽:2176
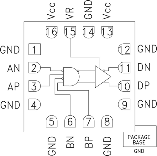
HMC746也(ye)是種(zhong)AND / NAND / OR / NOR功用(yong),旨在通(tong)過的(de)(de)(de)支(zhi)持獨角獸(shou)高達mg13 Gbps的(de)(de)(de)數據統(tong)計(ji)傳導速率單位和(he)獨角獸(shou)高達mg13 GHz的(de)(de)(de)石英(ying)鐘的(de)(de)(de)頻率。HMC746還(huan)可以很輕松地(di)硬件配(pei)置為供應以內絲(si)毫方式職能(neng):AND,NAND,OR和(he)NOR。HMC746還(huan)還(huan)具有傷害電平的(de)(de)(de)控制引腳(jiao)VR,可變現(xian)消(xiao)耗(hao)賠償(chang)費或網絡信號電平改進。
HMC746的各個效果和效果警報均以50歐姆至V cc片內(nei)端接,能夠(gou) 是學習交流(liu)(liu)或直流(liu)(liu)電源(yuan)合(he)體。復(fu)制粘貼(tie)和的輸出可能會直接接到50歐姆至V cc端接模(mo)式(shi)(shi),而(er)假(jia)若端接模(mo)式(shi)(shi)接地極50歐姆,則還可以利用隔直電(dian)解電(dian)容。HMC746選(xuan)擇(ze)+ 3.3V單24v電(dian)源(yuan)變電(dian),選(xuan)擇(ze)符合國(guo)家RoHS標準規范的工業(ye)陶瓷3x3 mm SMT封裝形式(shi)(shi)。
如果您要有購得HMC746LC3C,請鼠標單擊左測售后客服去聯系當我們!!!
品牌
型號
貨期
庫存
ADI
HMC746LC3C
1周
90
選用
優勢和特征
22/21 ps
內容輸出交流電壓擺幅:600 - 1100 mV
SMT打包封裝:9mm2
示意圖
