AD7980ARMZ法向齒轉為器(ADC) 加盟代理現貨黃金
披露時(shi)期:2019-02-18 14:00:32 手機瀏覽:1883
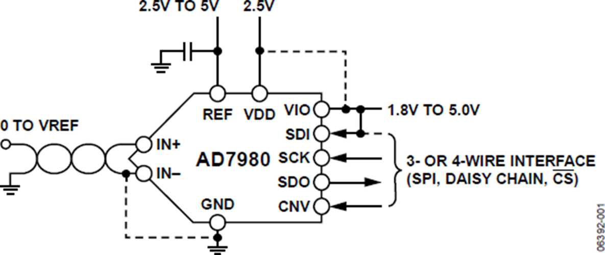
AD7980ARMZ有的是款16位、逐次走近型法向齒變換器(ADC),主要采用單24v24v電源(VDD)供水。它內置式另一些低耗電量、高速收費站、16位取樣ADC和另一些多功能鍵串行接口協議表層。在CNV增加沿,該集成電路芯片對IN+與IN-范圍內內的仿真模擬錄入電流值差采取取樣,范圍內從0 V至REF。基準點電流值(REF)由外鏈供給,和會獨立自主于24v24v電源電流值(VDD)。耗電量和吞吐傳輸速度呈直線轉化的關聯。
SPI兼容串行模塊還就能夠巧用SDI發送,將這幾個ADC以金絲菊鏈方法對接到1條二線式串口通信上,并提供數據可以選擇的系統繁忙技巧。按照人格獨立電壓VIO時,它與1.8V、2.5V、3V和5V方法論兼容。
AD7980ARMZ采取10引腳MSOP裝封類型或10引腳QFN (LFCSP)裝封類型,運轉溫區域為?40°C至+125°C。
|
品牌
|
型號
|
貨期
|
庫存
|
|
ADI
|
AD7980ARMZ
|
1周
|
50
|
如果您要有購AD7980ARMZ,請雙擊右邊軟件客服關聯企業!!!
AD7980ARMZ利用
AD7980ARMZ優勢和特點
-
16位分辨率、無失碼
-
呑吐速率:1 MSPS
-
低功耗
4 mW(1 MSPS,僅VDD)
7 mW(1 MSPS,總功耗)
70 μW (10 kSPS)
-
INL:典型值±0.6 LSB,最大值±1.25 LSB
-
信納比(SINAD):91.25 dB(10 kHz時)
-
THD:-110 dB(10 kHz時)
-
欲了解更多特性,請參考數據手冊
AD7980ARMZ的支持防務和航空公司航空材料應用軟件(AQEC標準規定)
-
下載AD7980-EP數據手冊(pdf)
-
受控制造基線
-
唯一封裝/測試廠
-
唯一制造廠
-
增強型產品變更通知
-
認證數據可應要求提供
-
軍用溫度范圍(?55℃至+125℃)
-
V62/12640 DSCC圖紙號
AD7980ARMZ示意圖
