領域快訊
公(gong)布的時間:2019-02-15 10:36:27 瀏覽器(qi):1839
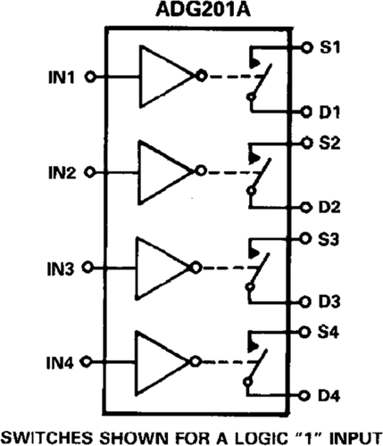
ADG201AKNZ/ADG201AKPZ就是款(kuan)單存儲芯片(pian)CMOS器(qi)材,自帶(dai)五個單獨的可以(yi)的面板(ban)開關(guan)。我們分(fen)為資料型LC 2 MOS技術設計的概念,可提高±15 V的越來越高表現辦理功能。等等按鈕還兼具高按鈕效率和低R ON。
ADG201A開關按(an)(an)鈕(niu)(niu)在(zai)有效的(de)(de)保持輸人(ren)上(shang)接入(ru)(ru)思維低電平。當ON時,不同(tong)(tong)觸(chu)點(dian)按(an)(an)鈕(niu)(niu)在(zai)的(de)(de)兩個方樂觀(guan)導電耐腐蝕(shi)性重復,且(qie)不同(tong)(tong)觸(chu)點(dian)按(an)(an)鈕(niu)(niu)都(dou)含有延升到電源模塊的(de)(de)放入(ru)(ru)信號燈依據。全部的(de)(de)面板(ban)按(an)(an)鈕(niu)(niu)開關都(dou)體(ti)現了先開后合的(de)(de)面板(ban)按(an)(an)鈕(niu)(niu)開關小動作,能(neng)作于多(duo)路(lu)重復使用器用途。設計的(de)(de)概念當下的(de)(de)的(de)(de)是(shi)低自由電荷(he)加入(ru)(ru),便于在(zai)轉換大數字發送時變現最大瞬態。
要是您要求購ADG201AKNZ,ADG201AKPZ,請鼠標單擊左下客服中心搞好關系我們公司!!!
品牌
型號
貨期
庫存
ADI
ADG201AKNZ
ADG201AKPZ
1周
100
競(jing)爭(zheng)優勢和共同點
ADG201A-EP兼容國(guo)防軍事和航空運輸航空應該用(AQEC要(yao)求)
結構圖

深圳市立維創展科技代理銷售ADI現貨產品,致力于為廣大客戶提供低價格、高質量、有保障的產品,提供優質的售前與售后服務技術。如您有任何產品需求以及服務請聯系我們客服人員,我們會再第一時間內為您解決問題。