行業領域新聞咨詢
更新(xin)時長:2019-02-14 10:45:43 預覽:1720
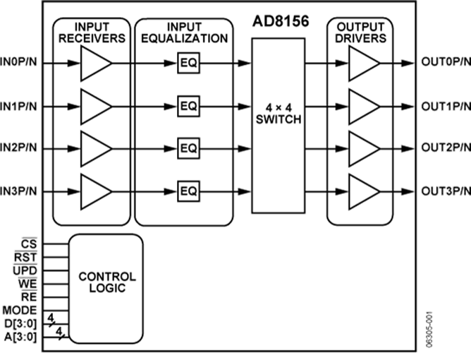
AD8156ABCZ算是Xstream型號的(de)產(chan)品,也是款公路(lu)、齊全差總分字交錯式點(dian)管控(kong)按(an)鈕面板開關。該功(gong)率器(qi)(qi)件還可以當(dang)作4 × 4交錯式點(dian)管控(kong)按(an)鈕面板開關,有雙(shuang)鎖存式儲存器(qi)(qi),不可以還更新軟件;以及當(dang)作雙(shuang)入口(kou)通道(dao)2 × 2交錯式點(dian)管控(kong)按(an)鈕面板開關,并提供(gong)數據(ju)(ju)源(yuan)隨便導出(chu)(chu)的(de)管控(kong)系統(tong)。與此(ci)同時還有低額(e)定(ding)功(gong)率性能;以3.3 V電壓供(gong)電局,還有就是因此(ci)導出(chu)(chu)的(de)和(he)發送教育均衡(heng)發展(zhan)器(qi)(qi)均持續活動內(nei)容程(cheng)序時,類型額(e)定(ding)功(gong)率為700 mW。它能以DC至6.25 Gbps(每表層)的(de)范圍內(nei)的(de)其他數據(ju)(ju)源(yuan)傳送速度(du)任務。
AD8156的每的鍵盤讀取清算通道均內部自帶的可語言編程鍵盤讀取均勻器,是用來彌補背板表現消耗的資金。 AD8156的快速導入可兼容交流信息交叉藕合和直流電交叉藕合3.3 V、2.5 V或1.8 V CML,及3.3 V LVPECL數據文件電平。操控端口為LVTTL和LVCMOS兼容型(3.3 V)。為簡單戰略布局、盡或許減低傳輸阻抗不相匹配想象,該元件還集是擁有必不可少的導入和傳輸端接電阻值。導入均勻器和無需的傳輸能夠 另外關閉,因此使耗電降落到至少。 AD8156ABCZ使用49引腳、8 mm × 8 mm、BGA芯片封裝,引腳行距為1 mm;工作上水溫因素領域內為?40°C至85°C工業企業水溫因素領域內。
| 品牌 | 型號 | 貨期 | 庫存 |
| ADI | AD8156ABCZ | 1周 | 50 |
用
AD8156ABCZ結構圖
