HMC515LP5E/HMC515LP5ETR雙正負極氯化鈉晶體管 ADIPOS機代理期貨
發布(bu)新聞時候(hou):2019-01-23 09:49:37 查詢:2075
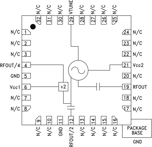
HMC515LP5E是一個款GaAs InGaP異質結雙旋光性硫化鋅管(HBT) MMIC VCO。 HMC515LP5(E)集成功了諧振器、負電阻輸出最大功率輸出最大功率器件和變容電子元器件大家庭中的一員-二極管,可導出半頻,并給出3分頻導出。 是因為自由自由振蕩器的單處理器的結構,VCO的相位噪音污染能力在溫暖、影響和技術條件下均相對非常出色。 選擇了+5V外接電源端電壓直流電時,導出輸出最大功率為+10 dBm(典型的值)。 假若不要有,行阻止預分頻器功能模塊以合理安排直流電。 該端電壓直流電把握自由自由振蕩器選擇了無引腳QFN 5x5 mm表貼封口,免其他識別元器件。
|
品牌
|
型號
|
貨期
|
|
ADI
|
HMC515LP5E
HMC515LP5ETR
|
1周
|
|
如若您需要購買HMC515LP5E/HMC515LP5ETR,請點擊右側客服聯系我們!!!
|
軟件
-
VSAT無線電
-
點對點/多點無線電
-
測試設備和工業控制
優勢和特點
-
雙路輸出: Fo = 11.5 - 12.5 GHz
Fo/2 = 5.75 - 6.25 GHz
-
Pout: +10 dBm
-
相位噪聲: 典型值為-110 dBc/Hz(100 kHz)
-
無需外部諧振器
-
QFN無引腳SMT封裝,25 mm2
構造圖
