行業領域訊息
分享時(shi)間間隔(ge):2018-06-25 14:52:49 閱(yue)覽:2022
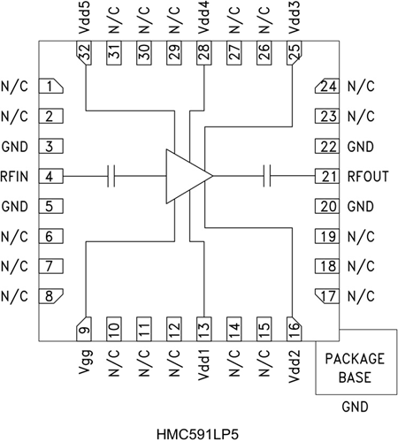
HMC591LP5(E)不是款高動(dong)態信息位置GaAs PHEMT MMIC 2 W上班(ban)(ban)(ban)馬力(li)調小(xiao)(xiao)器,上班(ban)(ban)(ban)平率位置為(wei)6至9.5 GHz。 該調小(xiao)(xiao)器帶(dai)來了(le)數據(ju)18 dB增(zeng)益控(kong)制,飽合(he)上班(ban)(ban)(ban)馬力(li)為(wei)+33 dBm,電電流電壓為(wei)+7V (19% PAE)。 此調小(xiao)(xiao)器相配50 Ω,需任(ren)何(he)人外(wai)觀零件,RF I/O經途隔直,以(yi)帶(dai)來了(le)數據(ju)增(zeng)強(qiang)的穩定性。 對(dui)待須得(de)最加OIP3的操(cao)作,Idd應安(an)裝為(wei)940 mA以(yi)生成+41 dBm OIP3。 對(dui)待須得(de)最加輸入P1dB的操(cao)作,Idd應安(an)裝為(wei)1,340 mA以(yi)生成+33 dBm輸入P1dB。
品牌
型號
描述
貨期
庫存
ADI
HMC591LP5,HMC591LP5E
HMC591LP5ETR,HMC591LP5TR
2 W功率放大器,采用SMT封裝,6.0 - 9.5 GHz
現貨
158
HMC591LP5優勢和特點
+33 dBm (20% PAE)
