HMC1086F10氮化鎵(GaN) MMIC工作電壓變大器10引腳卡箍二極管封裝 ADI現貨交易
更新時(shi)間:2018-06-22 16:28:05 打開網頁:7065
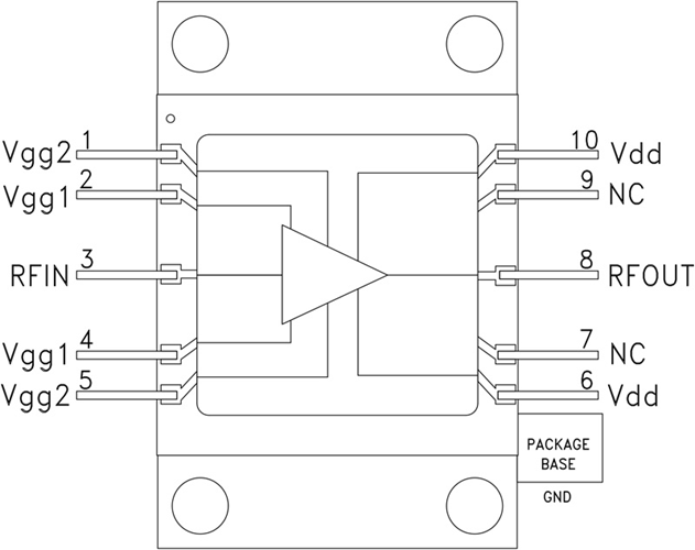
HMC1086F10有的是款25W氮化鎵(GaN) MMIC電功效變成器,本職工作頻次標準為2至6 GHz,利用10引腳法蘭部貼裝二極管封裝。 該變成器基本上打造23 dB小的衛星信號增加收益,+44.5 dBm趨于穩定讀取的電功效,在+33 dBm讀取的電功效/的衛星信號音下,打造+46 dBm讀取的IP3。 該變成器利用+28V直流變壓器電源線的靜態式的功耗測試為1,100 mA。 隔直RF I/O適應至50 Ω,用便利。
|
品牌
|
型號
|
描述
|
貨期
|
庫存
|
|
ADI
|
HMC1086F10
|
25 W GaN法蘭貼裝MMIC功率放大器,2 - 6 GHz
|
現貨
|
230
|
HMC1086F10運用
HMC1086F10優勢和特點
-
高Psat: +44.5 dBm
-
Psat下功率增益: 11 dB
-
高輸出IP3: +46 dBm
-
小信號增益: 23 dB
-
電源電壓: +28V (1100 mA)
-
50 Ω匹配輸入/輸出
-
10引腳法蘭封裝
HMC1086F10結構圖
